Operation CHARM: Car repair manuals for everyone.
Manuals through 2025 now available!

Our trusted friends have launched a new website named LEMON, which has newer manuals. It also contains all the CHARM manuals.

LEMON is the spiritual successor to CHARM, I recommend you try it!

Link: lemon-manuals.la or lemon-manuals.org.ua

(Some people have issue connecting. LEMON is investigating. For now, use Firefox or change your DNS server)

Or, hide this message: temporarily or permanently

System Description

INTRODUCTION
The ignition Systems used on the gasoline engines incorporate many technologically advanced components to maximize engine performance and reliability in the face of increasing restrictions on engine exhaust emissions. The ignition system, in cooperation with the fuel system, precisely controls engine operation to ensure maximum power and efficiency from the engine under all operating conditions.

Due to the use of sophisticated electronics to operate and control these modern ignition systems, the need for routine maintenance is reduced and troubleshooting can be more difficult. Any service or repair work must be carried out carefully, with special attention to the cautions and warnings and proper working procedures. Most necessary service and repair information is provided here, although some of the operations that are described may be of practical value only to professional mechanics. If you lack the skills, or the special tools and equipment, we suggest you leave the service and repair of the ignition system to an authorized Volkswagen dealer or other qualified repair shop. We especially urge you to consult your authorized Volkswagen dealer before attempting any repairs on a vehicle still covered by any warranties.

GENERAL DESCRIPTION
The spark-ignition system for a gasoline engine provides each spark plug with a precisely timed high-voltage charge to ignite the air/fuel mixture in the combustion chamber. The system also makes adjustments to the ignition timing in response to changes in engine speed and load.

Electronic Ignition System
The basic ignition system used on vehicles covered by this manual is a transistorized coil ignition with Hall sender (TCI-h), as shown in Fig. 1-1. The Hall sender in the distributor is the electronic equivalent of breaker points, but it has no moving parts and does not wear out. The ignition control unit, based on the signal from the Hall sender, switches the 12-volt ignition coil primary circuit to discharge the high-voltage spark. Vacuum and centrifugal advance mechanisms in the distributor adjust the ignition timing in response to engine load and speed.

Fig. 1-1:





Fig. 1-1. Components of basic Transistorized Coil Ignition with Hall sender (TCI-h)

Knock Sensor System
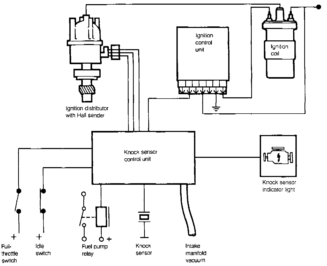
TCI-h ignition with knock sensor differs from the basic system with the addition of an engine knock sensor and ~ sensor control unit (Fig. 1-2). With this system, the distributor has no vacuum or centrifugal advance mechanisms. A justments to ignition timing are done electronically. The knock sensor system detects pre-ignition or detonation (commonly called knock or ping), and adjusts ignition timing electron to eliminate it. The system also makes the timing advance adjustments which are necessary at higher engine speeds.

Digifant Ignition System
The Digifant ignition system is also TCI-h with knock control, however, all ignition functions including the knock se system are combined with the fuel injection control function in the Digifant electronic control unit. Ignition timing is based. on engine load, engine speed, ignition quality, and coolant temperature.

Digifant I, installed on California cars (engine code RV) beginning in 1991, does not have an ignition control unit. Instead the Hall sender signal is monitored by the Digifant I control unit. The control unit then sends a signal to the ignition coil power stage, which switches power to the coil.

Fig. 1-2:





Fig. 1-2. Schematic view at Transistorized Coil Ignition (TCI-h) with knock sensor system.

CIS-E Motronic Ignition System
The CIS-E Motronic ignition system is also TCI-h with knock control. As in Digifant, all ignition functions including the knock sensor system are combined with fuel injection control in the single Motronic control unit. Ignition timing is based on engine load, engine speed, ignition quality (knock), and coolant temperature. Two knock sensors are used in CIS-E Motronic, along with a knock control reference sensor. The reference sensor allows the control unit to determine which pair of cylinders is knocking. CIS-E Motronic does not have an ignition control unit. Instead, the Hall sender signal is monitored by the Motronic control unit. The control unit then sends a signal to the ignition coil power stage, which switches power to the coil.

System Identification and Applications
The type of ignition system used is determined by engine type. Table a lists the engine codes for cars covered by this manual, and the corresponding ignition system. For more information on engine identification, see ENGINE.

Table a:





Table a. Ignition System Applications

The different ignition Systems used on gasoline engines can also be quickly identified by their appearance. The basic TCI-h ignition system has a vacuum diaphragm mounted on the side of the distributor, as shown in Fig. 1-1 above. The ignition systems with knock control have a knock sensor mounted to the front of the engine block between cylinders 1 and 2 as shown in Fig. 1-3. CIS-E Motronic systems have a second knock sensor mounted between cylinders 3 and 4 TCI-h systems with knock control have a separate knock sensor control unit located in the passenger-side cowl area above the fire- wall. Digifant and CIS-E Motronic systems do not have the separate control unit.

Fig. 1-3:





Fig. 1-3. Knock sensor mounted on front of engine cylinder block.