Operation CHARM: Car repair manuals for everyone.
Manuals through 2025 now available!

Our trusted friends have launched a new website named LEMON, which has newer manuals. It also contains all the CHARM manuals.

LEMON is the spiritual successor to CHARM, I recommend you try it!

Link: lemon-manuals.la or lemon-manuals.org.ua

(Some people have issue connecting. LEMON is investigating. For now, use Firefox or change your DNS server)

Or, hide this message: temporarily or permanently

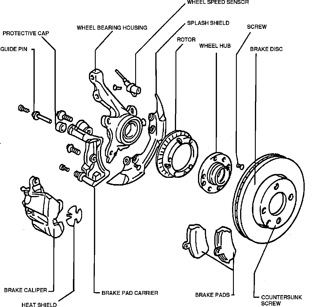
Brake Pad: Service and Repair

Fig. 1 Exploded View of Girling Single Piston w/Dual Mounting Bolts Disc Brake System, Front:





1. Raise and support vehicle, then remove front wheels.
2. Using open end wrench to hold guide pin head, Fig. 1, remove lower caliper mounting bolt.
3. Swing caliper upward, then remove brake pads.
4. Push piston back into caliper housing.

NOTE: Always remove some brake fluid from master cylinder reservoir prior to installing new pads. When caliper piston is pushed back, fluid is forced out of caliper and into reservoir. After pads are installed, refill reservoir to MAX mark.

5. Install brake pads and heat shield with shield facing piston, then swing caliper downward and install ``new'' lower self-locking mounting bolt. Use an open end wrench to hold guide pin in position when tightening lower mounting bolt. Tighten bolt to specifications.
6. Depress brake pedal several times to position caliper piston and seat brake pads.