Operation CHARM: Car repair manuals for everyone.
Manuals through 2025 now available!

Our trusted friends have launched a new website named LEMON, which has newer manuals. It also contains all the CHARM manuals.

LEMON is the spiritual successor to CHARM, I recommend you try it!

Link: lemon-manuals.la or lemon-manuals.org.ua

(Some people have issue connecting. LEMON is investigating. For now, use Firefox or change your DNS server)

Or, hide this message: temporarily or permanently

Assembly

The assembly procedure is not in sequential steps, but grouped in sub-assemblies.





Drive Flange and Adjusting Ring Installation





- Install left and right adjusting rings and align marks at depth previously measured
- Lubricate threads with MoS2 grease

CAUTION: Do not tighten left side adjusting ring until clutch housing has been installed and bolts torqued.





- Install drive flange using VW 391





- Insert wave washer
- Press circlip into groove with VW 244b and at same time check that washer is centered





Transmission Housing Assembly

Before installing gear carrier:
- Position shim S3 and new gasket
- Position shift rail
- Position bearing to opening in housing
- Heat bearing seat in transmission housing to 40-60° (130-166°F)
- Seat bearing using a plastic hammer on drive pinion
- Check for binding
- Install retaining ring and shim (75 mm wide)





- Tighten retaining ring to 225 Nm (162 ft lb), loosen and tighten again to 225 Nm (162 ft lb)





- Secure retaining ring at two places by staking
- Bolt end shield to transmission housing
- Loosen relay lever bolt
- Position lever and tighten bolt to 20 Nm (15 ft lb.)
- Install shift shaft with slotted side facing differential gear
- Install new seal in cover
- Position cover with spring and tighten bolts to 15 Nm (11 ft lb)

Measuring Low Gear Shim Thickness





- Adjustment range = a - b
- Dimension b = x - y





- Measure dimension a
^ Example: a = 77.8 mm

- Measure dimension x
^ Example: x = 77.6 mm





- Measure dimension y
^ Example: y = 1.0 mm

Compute Shim Thickness
- Dimension b = x - y
^ Example: 77.6 mm minus 1.0 mm = 76.6 mm (b)

- Adjustment range = a - b
^ Example: 77.8 mm minus 76.6 mm = 1.2 mm





- Select proper shim from table and install shim, low gear disc, and needle bearing in low gear housing
- Position new gasket





- Install bearing retainer with grease (arrow)
- Rotate transmission 180 (1/2 turn)
- Push low gear housing from below, guiding gear and shim to drive pinion
- Install mounting bolt and tighten to 20 Nm (15 ft lb)
- Install reverse idler gear cover
- Push splined sleeve onto drive pinion
- Install output housing, tighten bolts to 20 Nm (15 ft lb)
- Install back up light switch and shift shaft lever after removing transmission from repair stand





Flange Seal Installation





- Press seal in to stop





Gear Carrier Assembly





- Press in main shaft with shift rail





- Install drive pinion with shift rail
- Shift into 3rd gear
- Shift into neutral
- Install needle bearing for drive pinion
- Install main shaft circlip

NOTE: Perform the following before installing gear carrier:

- Position shim S3 and new gasket
- Position shift rail
- Position bearing facing opening in housing
- Heat bearing seat in transmission housing to 40-60°C (130-166°F)
- Seat bearing using a plastic hammer on drive pinion
- Check for binding





- Tighten retaining ring (75 mm wide) to 225 Nm (162 ft lb), loosen and tighten again to 225 Nm (162 ft lb)





- Secure retaining ring at two places by staking
- Install end shield to transmission housing
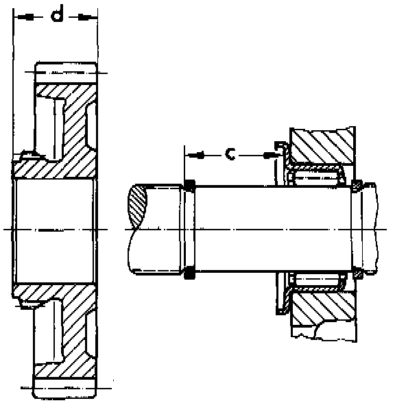
- Determine thickness of reverse gear thrust washer (75 mm wide)





- Position circlip and measure dimension C
^ Example: C = 29.1 mm
- Measure dimension d
^ Example: d = 24.7 mm

Compute Thrust Washer Thickness
- Subtract dimension d from dimension c
^ Example: 24.7 mm minus 29.1 mm = 4.4 mm (adjustment range)





- Select reverse gear thrust washer from the table
- Position thrust washer, reverse gear, needle bearing and second circlip





- Install synchronizer hub
- Position first circlip
- Position low/reverse synchronizer with shift fork
- Place molybdenum coated circlip on low gear
- Fasten shift fork to shift rail
- Coat bolt with D 6 and tighten to 20 Nm (15 ft lb)





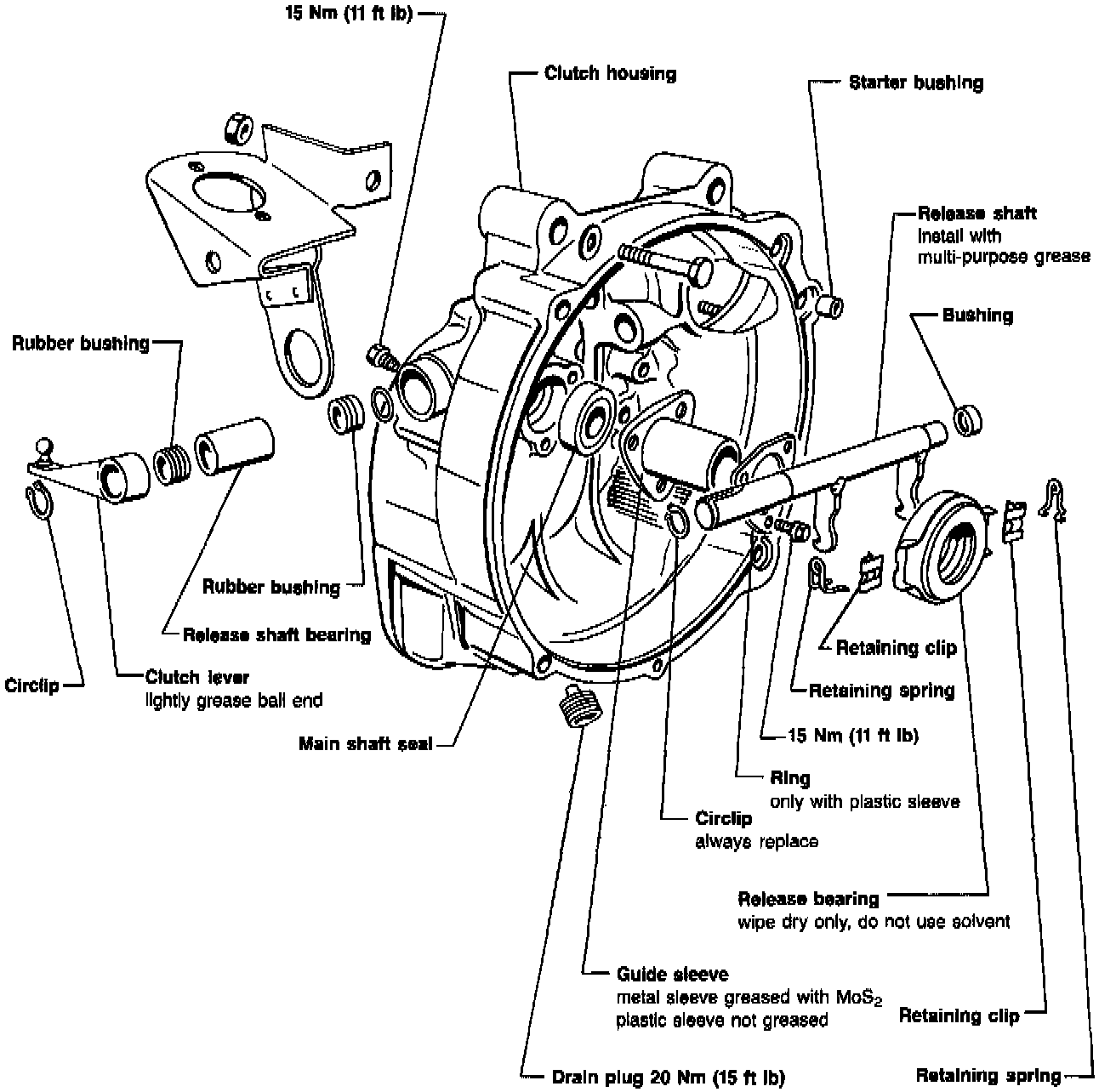
Servicing Clutch Housing Assembly





- Pry out main shaft seal using VW 681





- Install main shaft seal, drive in using VW 244b





- Remove release shaft bushing, refer to image





- Drive in flush





- Starter bushing can be removed and installed using VW 222a when transmission is removed





Output Shaft Bearing and Shift Rod Seal Installation





- Press bearing from output housing





- Press bearing in to stop





- Remove shift shaft seal





- Remove wire circlip
- Drive in seal with 3077
- Replace wire circlip

Servicing Output Housing and Low Gear Housing





- Remove shift rod bushings by rotating bushing until lug (arrow) is positioned over recess in housing
- Push out shift rod bushing





- Press drive flange seal in seal to stop





- Remove needle bearing
^ A = Puller e.g. Kukko 22-2
^ B = Inner extractor 31 - 37 mm e.g. Kukko 21/5





- Press in needle bearing to stop





Mainshaft Assembly





- Push synchronizer rings on to gear cones and measure gap (a) with a feeler gauge
^ 3rd gear:
a = New part: 1.25-1.95 mm (0.049-0.077 in)
Wear limit: 0.5 mm (0.020 in)
^ 4th gear:
a = New part: 1.00-1.70 mm (0.039-0.067 in)
Wear limit: 0.5 mm (0.020 in)








- Assemble 3rd/4th gear synchronizer
- Sleeve and hub identification grooves (arrows A & B) are on opposite sides
- Clutch sleeve groove (arrow B) faces 4th gear
- The grooves (arrows C) are for identification:
^ 1st/2nd gear -- one groove
^ 3rd/4th gear -- two grooves
- Push sleeve over hub
- Insert keys and install spring ends 120° apart, angled ends of spring must fit into hollow key




- Press 3rd/4th gear on to main shaft
- Rotate synchronizing ring until grooves are in line with keys
- Clutch sleeve identification groove faces 4th gear





- Press main shaft bearing out of gear carrier





- Press main shaft bearing into carrier to stop
- Recess on bearing aligns with recess in carrier (arrow)





- Drive needle bearing out of transmission housing





- install needle bearing, the lettered side of bearing (thicker material) must face installing tool.





- Shear off rivet head before removing low gear needle bearing
^ A - Inner extractor 18.5-23.5 mm, e.g. Kukko 2113
^ B - Extension
^ C - Yoke, e.g. Kukko 2212





- Install low gear needle bearing





Drive Pinion Assembly





- Heat inner race to 100°C (212°F)
- Before tightening needle bearing inner race, let bearing cool to room temperature





- Heat inner race to 60°C (140°F) and screw on by hand as far as possible
- Install pinion shaft into tool 2052/1 and tighten wing nut lightly
- Tighten inner race to 210 Nm (152 ft lb)





- Lubricate bearings with transmission oil and tighten tension nut
- Turn pinion shaft in both directions 15-20 times
- Turn and read turning torque
^ A = Torque gauge -- 0-600 Nm (0-54 in lb) range
New bearings: up to 210 Ncm (19 in lb)
Used bearings (after 30 miles): up to 70 Ncm (6.2 in lb)





- If turning torque cannot be measured, check for rock at end of pinion
- If there is detectable rock, replace bearing





- Press 1st/2nd synchronizer ring onto gear by hand and measure gap (a) with feeler gauge
^ Gap a = New part: 1.3-1.9 mm (0.051-0.075 in)
Wear limit: 0.50 mm (0.020 in)








- Assemble 1st/2nd gear synchronizer sleeve
- Groove (arrow A) faces 2nd gear
- Hub collar faces 1st gear
- Grooves (arrow B) are for identification:
^ 1st/2nd gear = 1 groove
^ 3rd/4th gear = 2 grooves
- Slide sleeve over hub, matched position is not necessary
- Insert keys and install spring ends 120° apart. Angled ends of springs fit into keys





- Turn synchronizer ring until grooves are in line with keys
- Press 1st/2nd gear synchronizer on to pinion shaft





- Install 3rd gear
- Collar faces 2nd gear








- Measure 3rd gear end play with feeler gauge
- Adjust by selecting suitable circlip
- Play should be 0.05 mm-0.20 mm (try to meet lower limit)
- Select correct circlip from chart (refer to image)





- Remove needle bearing outer race





- Install needle bearing outer race





- Remove low gear bearing





- Install low gear bearing