Operation CHARM: Car repair manuals for everyone.
Manuals through 2025 now available!

Our trusted friends have launched a new website named LEMON, which has newer manuals. It also contains all the CHARM manuals.

LEMON is the spiritual successor to CHARM, I recommend you try it!

Link: lemon-manuals.la or lemon-manuals.org.ua

(Some people have issue connecting. LEMON is investigating. For now, use Firefox or change your DNS server)

Or, hide this message: temporarily or permanently

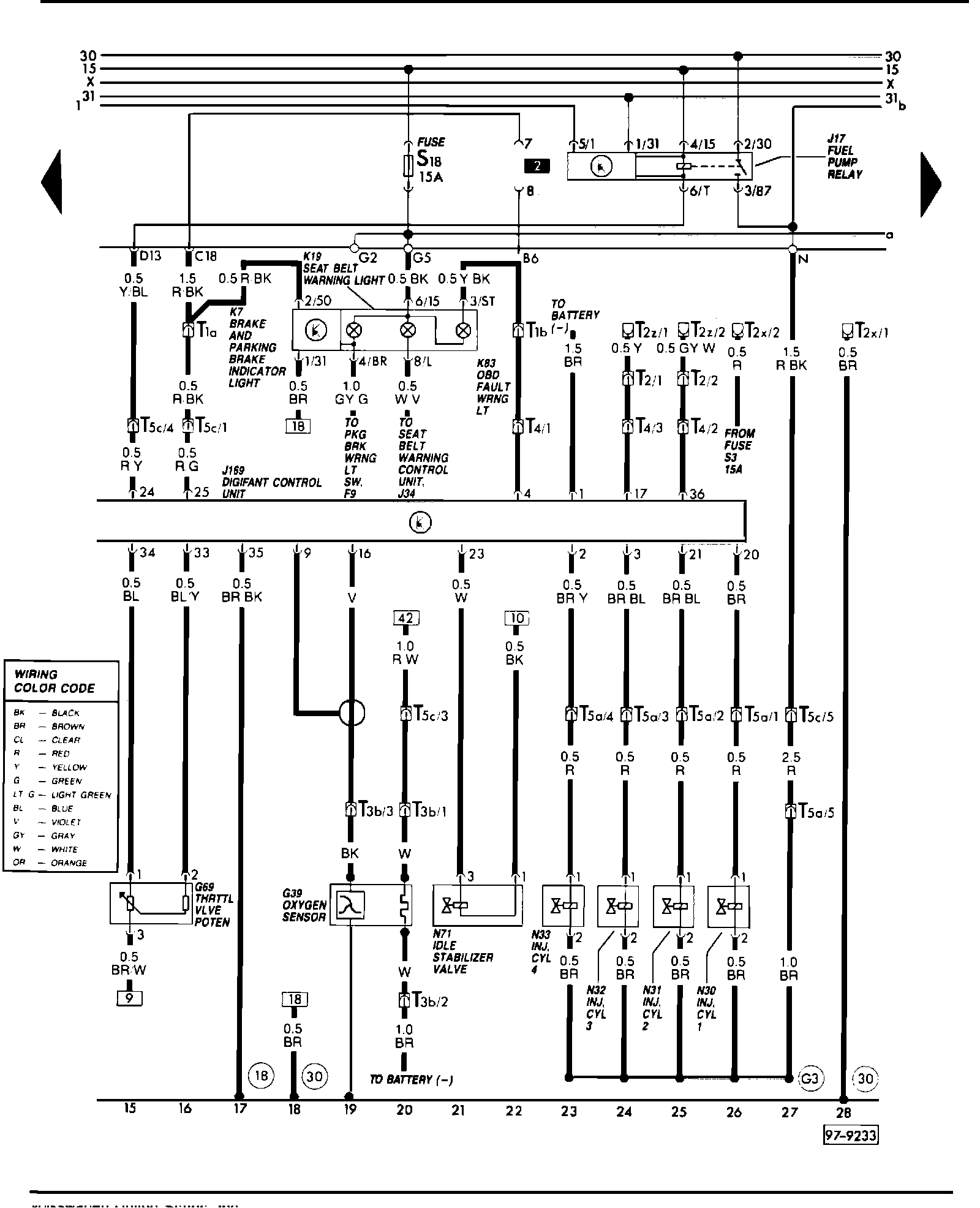
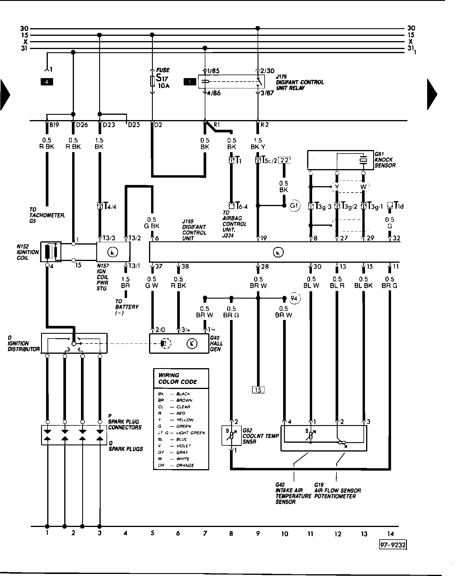
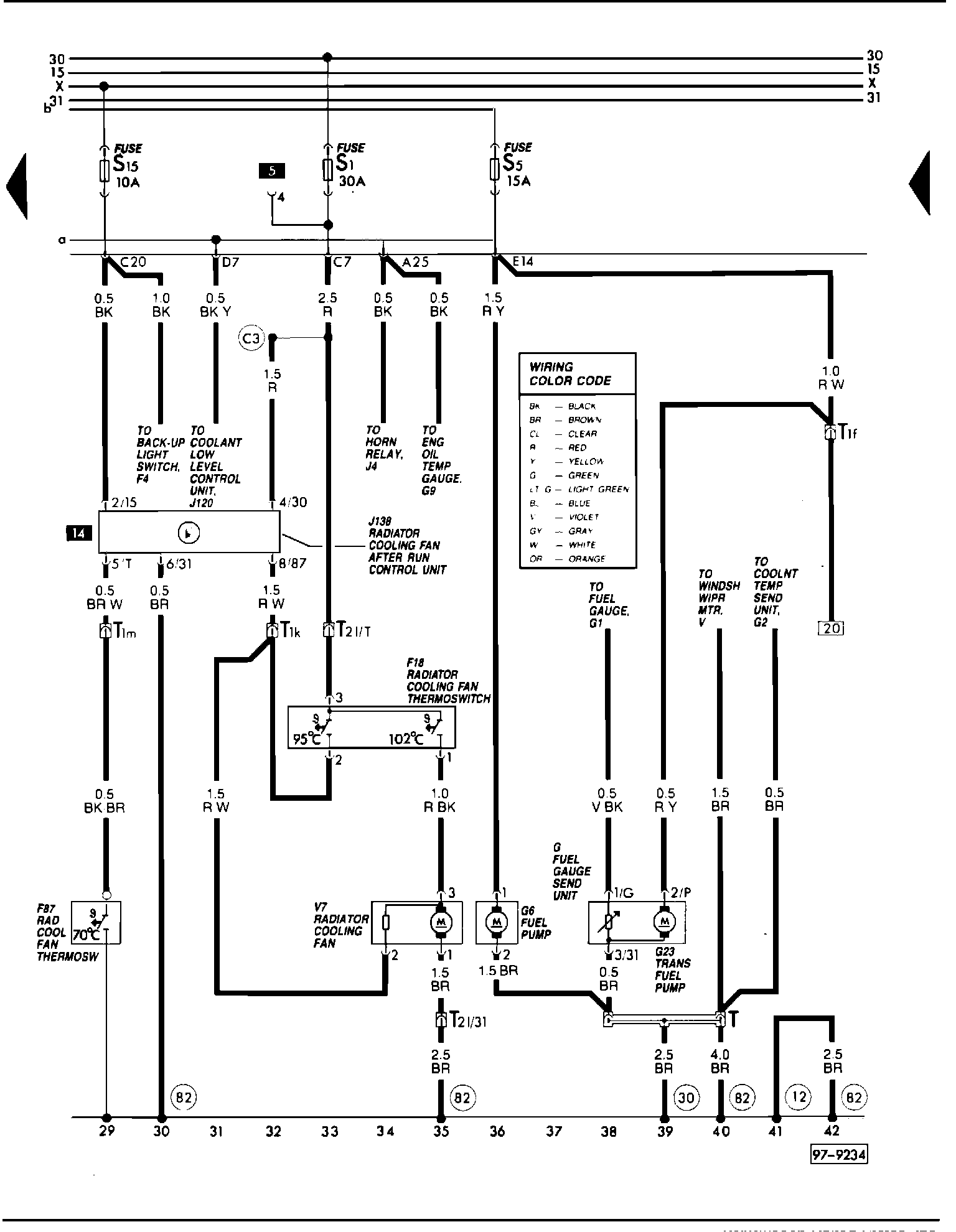
Engine Controls - Wiring Diagrams


91vw06

Electronic enginet
controls

1991 Cabriolet
1.8L, Digifant I
(California only)

A-694


Number 91-17

Date February 28, 1991











Description Current
track

Air flow sensor potentiometer, G19 12

Brake and parking brake indicator light,
K7 19

Coolant temperature sensor, G62 8

Digifant control unit, J169 5-26
Digifant control unit relay, J176 7-9

Fuel gauge sending unit, G 38
Fuel pump, G6 36
Fuel pump relay, J17 23-26
Fuse, S17 5
Fuse, S18 20
Fuse, S15 29
Fuse, S1 33
Fuse, S5 36

Hall generator, G40 5-7

Idle stabilizer valve, N71 21-22
Ignition coil, N152 1
Ignition coil power stage, N157 3-4
Ignition distributor, O 1-3
Injector, cyl. 1, N30 26
Injector, cyl. 2, N31 25
Injector, cyl. 3, N32 24
Injector, cyl. 4, N33 23
Intake air temperature sensor, G42 11

Knock sensor, G61 11-13

OBD fault warning light, K83 21
Oxygen sensor, G39 19-20

Radiator cooling fan, V7 34-35
Radiator cooling fan after run control
unit, J138 29-32
Radiator cooling fan thermoswitch, F18 33-35
Radiator cooling fan thermoswitch, F87 29

Seat belt warning light, K19 20
Spark plug connectors, P 1-3
Spark plugs, Q 1-3

Throttle valve potentiometer, G69 15-16
Transfer fuel pump, G23 39


Wire connectors

T - junction box, behind fuse relay panel
T1 - single, behind fuse relay panel
T1a - single, behind fuse relay panel
T1b - single, behind fuse relay panel
T1d - single, behind fuse relay panel
T1f - single, behind fuse relay panel
T1k - single, behind fuse relay panel
T1m - single, behind fuse relay panel
T2 - double, behind fuse relay panel
T2l - double, near headlight, left
T2x - double, black, diagnostic connector, below
transmission shift lever boot
T2z - double. white, diagnostic connector, below
transmission shift lever boot
T3 - three-point, on ignition coil power stage
T3b - three-point, in engine compartment, rear
T3g - three-point, near starter
T4 - four-point, behind fuse/relay panel
T5a - five-point, near intake manifold
T5c - five-point, on firewall, left
T6 - six-point, behind fuse,relay panel


Ground connections

(12) - in engine compartment, left

(18) - on engine block

(30) - beside fuse relay panel

(82) - in left front wiring harness

(94) - in Digifant wiring harness

Welded wiring harness points

(C3) - plus connection (30), in left front wiring harness

(G1) - plus connection, in Digifant wiring harness

(G3) - plus connection, in injector wiring harness