Operation CHARM: Car repair manuals for everyone.
Manuals through 2025 now available!

Our trusted friends have launched a new website named LEMON, which has newer manuals. It also contains all the CHARM manuals.

LEMON is the spiritual successor to CHARM, I recommend you try it!

Link: lemon-manuals.la or lemon-manuals.org.ua

(Some people have issue connecting. LEMON is investigating. For now, use Firefox or change your DNS server)

Or, hide this message: temporarily or permanently

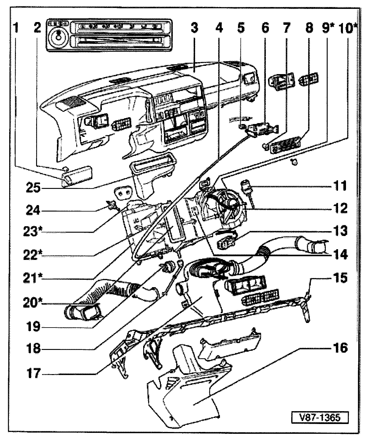
A/C Components In Passenger Compartment, Servicing




A/C Components In Passenger Compartment, Servicing


NOTE:
System components identified with an * must only be serviced or replaced after discharging refrigerant system. Use recovery/recycling unit Kent Moore ACR3 or equivalent.







1 - A/C relay -J32-
2 - A/C system and heater fuse S23 30 Amps
3 - Instrument panel
4 - Temperature flap cable
5 - Heater switch -F102-

- For auxiliary heater B7W or D7W - not applicable to USA/Canada
- Removing and installing See Fig. 1
6 - A/C control head
- Includes A/C switch -E35-
- Temperature flap cable, installing/adjusting
- Vacuum hose layout
- Removing and installing See Fig. 2
7 - Fresh air blower switch -E9-
8 - Trim plate - A/C control head -6-
9 - Expansion valve*

- Located in engine compartment
- Ensure valve is protected from rain and splash water
- Checking insulator See Fig. 3
10 - Air intake duct with fresh air/recirculation flap*
11 - Fresh air/recirculating flap vacuum servo

- Vacuum hose layout
- Servo is in fresh air mode with no vacuum applied
- Removing See Fig. 3
12 - Fresh air blower -V2-
- To replace, remove instrument panel and loosen right side of bracket -15-
- Apply silicone rubber sealant (locally available) to sealing surfaces
13 - Evaporator temperature switch -E33-
- Prevents evaporator from freezing
- To replace, first remove glove box
- Insert sensor tube of temperature switch into evaporator 330 mm (13.0 in.)
- Removing and installing See Fig. 6
14 - Fresh air blower series resistance with overheat fuse -N24-
- Replacing See Fig. 4
15 - Bracket
16 - Footwell air outlet console
17 - Center air duct

- To remove, first remove instrument panel -3- and bracket -15-
18 - Evaporator water drain hose
- Installing in passenger compartment See Fig. 5
- Installing in engine compartment See Fig. 2
19 - Central flap vacuum servo
- Air should not flow from instrument panel vents with no vacuum applied
- Vacuum hose layout
20 - Central flap*
- Not available separately as a replacement part
21 - Heater/evaporator - housing*
22 - Footwell/defroster - flap*

- Not available separately as a replacement part
23 - Heater core*
- Seals must be bonded all around, free of gaps
- After removing, replace coolant completely
24 - Footwell/defroster - flap vacuum servo
- Air flows to defroster vents with no vacuum applied
25 - Defroster duct
- To replace, first remove instrument panel


NOTE: System components identified with an * must only be serviced or replaced after discharging refrigerant system. Use recovery/recycling unit Kent Moore ACR3 or equivalent.


Fig. 1 Auxiliary heater switch -F102-, removing and installing







NOTE: This switch is used for auxiliary heaters B7W (gas) or D7W (diesel) which are not currently available on USA/Canada vehicles.

1 - Switch for heater on -F102-
Remove switch screws
Remove switch -1 -

Reinstall in reverse sequence

Fig. 2 A/C control head, removing and installing







1 - A/C control head
2 - Instrument panel center section (do not remove)
3 - Multi-point vacuum hose connector

Fig. 3 Fresh air/recirculating flap vacuum servo, removing and installing







- Remove glove box
- Remove screws -arrows-
- Rotate vacuum servo -1- and remove arm from lever

Fig. 4 Fresh air blower series resistance with overheat fuse -N24-, removing and installing







- Remove glove box
- Remove series resistance -1- with overheat fuse -2-

1 - Series resistance
2 - Overheat fuse

Fig. 5 Evaporator water drain hose, installing in passenger compartment







NOTE:
- For installing water drain hose in engine compartment See Fig. 2
- Hose must fit as shown in illustration or water will leak into passenger compartment
- Install hose so that grommet in bulkhead seals tight around hose

Fig. 6 Evaporator temperature switch -E33-, removing and installing







1 - Evaporator temperature switch
Do not bend sensor tube
2 - Temperature switch with housing
3 - Grommet
4 - Tape
Install tape on sensor tube 330 mm (13.0 in.) from end and install sensor tube into evaporator up to tape
5 - Screw
Remove screw to remove temperature switch from evaporator housing
6 - Screw
Remove screw to remove cover from temperature switch