Operation CHARM: Car repair manuals for everyone.
Manuals through 2025 now available!

Our trusted friends have launched a new website named LEMON, which has newer manuals. It also contains all the CHARM manuals.

LEMON is the spiritual successor to CHARM, I recommend you try it!

Link: lemon-manuals.la or lemon-manuals.org.ua

(Some people have issue connecting. LEMON is investigating. For now, use Firefox or change your DNS server)

Or, hide this message: temporarily or permanently

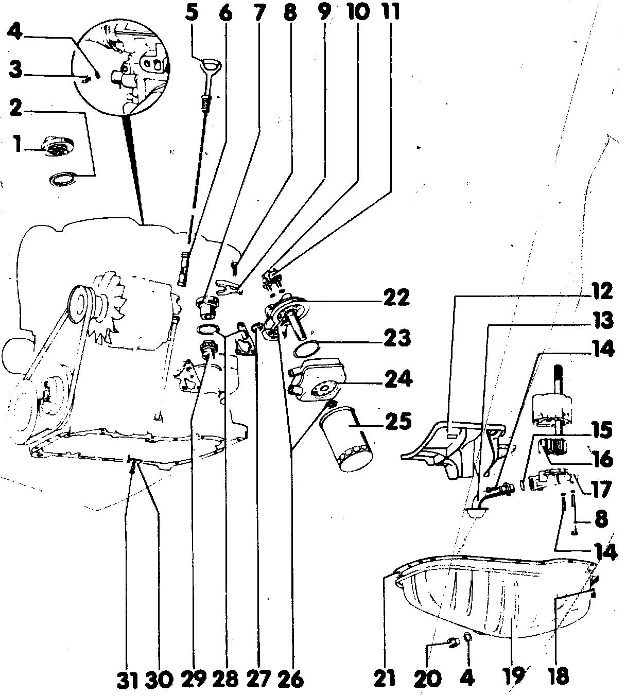
System Diagram



Engine - Lubrication System Component Layout





1 - Oil filler cap
2 - Seal

- Replace if damaged
3 - Oil temperature sensor(G 8)
- 10 Nm (7 ft lb)
- For oil temperature display
- White
4 - Sealing ring
5 - Dipstick for engine oil
- Quantity difference between Min. and Max.: .75 liter (0.8 quarts)
- Oil lever must not exceed Max. level
6 - Dipstick guide tube
7 - Cap

- With compensation play
8 - 20 Nm (15 ft lb)
9 - Clamp
10 - 0.3 bar oil pressure switch (F 22)

- 25 Nm (18 ft lb)
- Brown
- Blue/black wire
- If leaking, replace sealing ring
11 - 1.8 bar oil pressure switch (F 1)
- 25 Nm (18 ft lb)
- White
- Yellow wire
- If leaking, replace sealing ring
12 - Baffle plate
- Install with oil pump removed
13 - Suction pipe
- Clean strainer if dirty
14 - 10 Nm (7 ft lb)
15 - O-ring
- Replace
16 - Oil pump drive gears
- Check backlash
- Check axial clearance
17 - Oil pump cover with pressure relief valve
- Opening pressure: 5.7 to 6.7 bar
18 - 20 Nm (15 ft lb)
- Tighten and loosen bolts (on the flywheel end) using tool 3185
19 - Oil pan
- Clean the sealing surfaces before installing
20 - Drain plug
- 30 Nm (22 ft lb)
21 - Oil pan gasket
- Replace
- Before installing, coat the contacting surfaces of the oil pan and the cylinder block with D2
22 - Oil filter mounting flange
23 - O-ring
- Replace if damaged
24 - Oil cooler
- Coat the surface with AMV 188 100 02 where it contacts the flange
- When installing, position such that there is sufficient clearance between adjacent components
- If metal powder or fragments are found in the engine oil during repairs, carefully and thoroughly clean the passages of the oil cooler
25 - Oil filter
- Loosen with wrench
- Tighten by hand
- Observe installation instructions printed on the filter housing
26 - 25 Nm (18 ft lb)
27 - Check valve
- 5 Nm (44 in. lb)
- Starting 05-91
28 - Flange gasket
- Replace
29 - Drive gear
- For oil pump drive
30 - Oil spray jet
- For piston cooling
31 - Pressure relief valve
- 27 Nm (31 ft lb)
- Opening pressure: 2.5 to 3.2 bar