HVAC System Controls
A/C System, Controls
WARNING: Automotive refrigerant containing CFC's is hazardous to the earth's atm9sphere. To protect our environment, use an Underwriter's Laboratory (UL) approved refrigerant recovery/recycling unit such as Kent-Moore ACR3, or equivalent, whenever discharging an A/C system.
Note: Discharge A/C system and/or drain engine coolant before removing components identified with an *
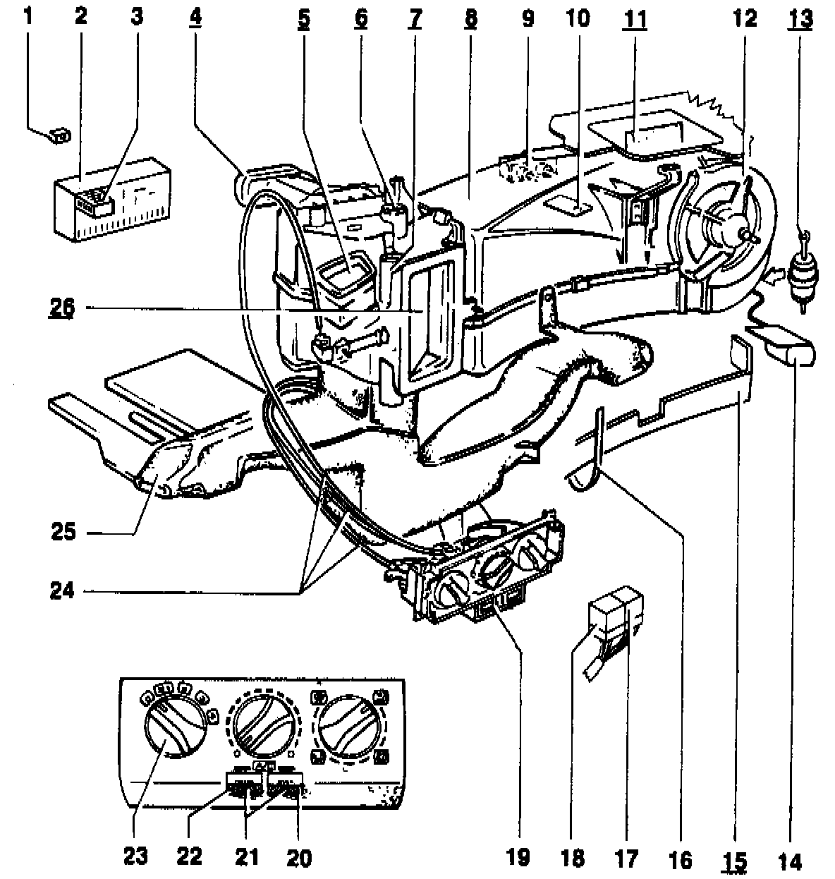
1 - Main heater fuse, S23
30A
2 - Fuse/relay panel
3 - A/C relay, J32
4* - Heater core (outlets)
5* - Footwell/defrost flap
6* - Temperature flap bushing
7* - Mode (central) flap bushing
8* - Air distribution and evaporator housing
assembly, Service and Repair
9 - Expansion valve (on evaporator)
10 - Fresh air blower series resistance, N24 and Overheat fuse: S24
11* - Fresh air recirculation flap
located in air intake
12 - Fresh air blower, V2
remove glove compartment to remove
13 - Fresh air recirculation vacuum servo
14 - A/C thermostat, E33
- prevents icing of evaporator
- switch closes above 1°-4°C (34°-39°F)
- insert sensing tube into evaporator 330 mm (130 in)
- removing/installing, Evaporator Temperature Sensor / Switch
15* - Evaporator housing cover
16 - Tension strap
17 - Relay (behind center console)
- A/C time delay relay, J70 (manual transmission)
- A/C compressor clutch cut-off relay, J246 (automatic transmission)
18 - A/C compressor clutch/fresh air flap relay, J205
19 - A/C (ventilation) control head
- removing/installing, Service and Repair
- adjusting control cables, Service and Repair
20 - A/C switch "Max" button (with A/C control light, K84)
21 - A/C switch, E35
removing, section 87-60
22 - A/C switch "Norm" button (with A/C control light, K84)
23 - Fresh air blower switch, E9
24 - Control cables
- remove left footwell air outlet 25 and lower left instrument panel cover to access cables
- installing/adjusting, Service and Repair
25 - Left footwell air outlet
remove center console, instrument panel bracket, and lower left instrument panel cover to remove
26* - Mode (central) flap