Operation CHARM: Car repair manuals for everyone.
Manuals through 2025 now available!

Our trusted friends have launched a new website named LEMON, which has newer manuals. It also contains all the CHARM manuals.

LEMON is the spiritual successor to CHARM, I recommend you try it!

Link: lemon-manuals.la or lemon-manuals.org.ua

(Some people have issue connecting. LEMON is investigating. For now, use Firefox or change your DNS server)

Or, hide this message: temporarily or permanently

Computers and Control Systems: Service and Repair







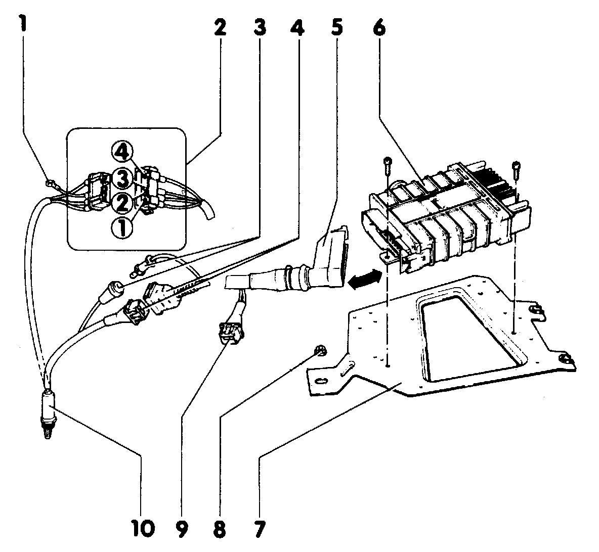
1- Ground connection
fastened to Oxygen sensor harness connector bracket
2- Harness connector for Oxygen sensor (G-39) and sensor heater Z 19)
- starting 8-90, 4-pin harness connector mounted on right engine mount
- check voltage supply for Oxygen sensor heater with engine running, between terminals 1 (brown) and 2 (red/white): must be approx. battery voltage
- check Oxygen sensor heater for continuity via OXS harness connector (white wires)
3- Oxygen sensor (G 39) harness connector
- up to 7-90, single pin harness connector mounted on right firewall
4- Oxygen sensor heater (Z 19) harness connector
- up to 7-90, 2-pin harness connector mounted on right firewall
- check voltage supply for Oxygen sensor heater with engine running, must be approx. battery voltage
- check Oxygen sensor heater for continuity via OXS harness connector (white wires)
5- Harness connector
- only disconnect or connect harness connector with ignition switched off
- to disconnect, release holding spring from CIS-E Motronic control unit
6- CIS-E Motronic control unit (J 204)*
- for fuel inflection, Oxygen sensor control, Ignition map, knock regulation and output checks
- with Fault memory
- for output checks and self-diagnosis. see Repair Group D2
7- Mounting plate
8- 10 Nm (7 ft lb)
9- A/C harness connector

in right side of plenum
10- Oxygen sensor (G 39)
- 50 Nm (37 ft lb)*

- installation location, catalytic converter
- coat threads with G5 but do not allow compound to enter sensor body slots

* check using self-diagnosis.