Operation CHARM: Car repair manuals for everyone.
Manuals through 2025 now available!

Our trusted friends have launched a new website named LEMON, which has newer manuals. It also contains all the CHARM manuals.

LEMON is the spiritual successor to CHARM, I recommend you try it!

Link: lemon-manuals.la or lemon-manuals.org.ua

(Some people have issue connecting. LEMON is investigating. For now, use Firefox or change your DNS server)

Or, hide this message: temporarily or permanently

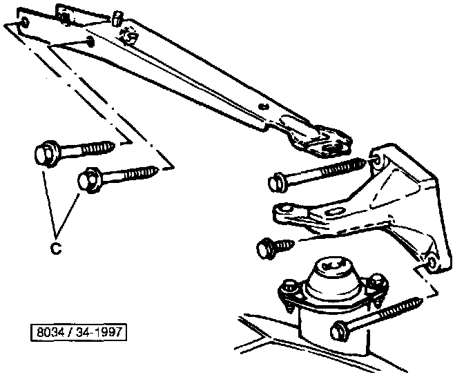
Engine Mount

Front Mounting Bolts (arrows):




Left & Rear Mounts:




Additional Transaxle Support On Manual Transaxle Cars:





ENGINE/TRANSAXLE MOUNTS:

Tightening Torques: (refer to images above)
-A- 25 Nm (18 ft lb)
-B- 30 Nm (22 ft lb)
-C- 60 Nm (44 ft lb)
-D- 70 Nm (52 ft lb)