Operation CHARM: Car repair manuals for everyone.
Manuals through 2025 now available!

Our trusted friends have launched a new website named LEMON, which has newer manuals. It also contains all the CHARM manuals.

LEMON is the spiritual successor to CHARM, I recommend you try it!

Link: lemon-manuals.la or lemon-manuals.org.ua

(Some people have issue connecting. LEMON is investigating. For now, use Firefox or change your DNS server)

Or, hide this message: temporarily or permanently

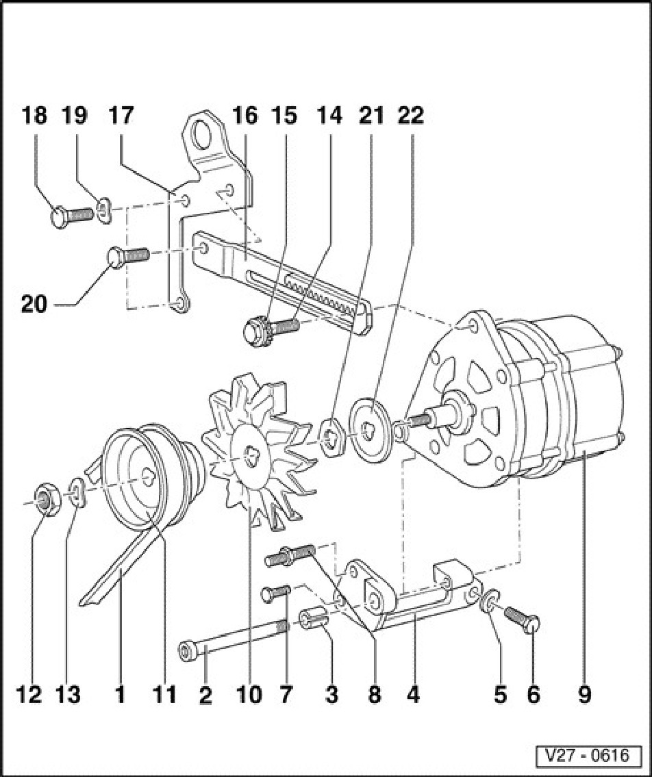
Charging System

Generator, removing/installing, Generator (GEN) (V-belt)






Fuel injection

1. V-belt
Checking and adjusting V-belt tension Page 27-34

2. Hex-head bolt M8 x 90
35 Nm (26 ft lb)

3. Bush
4. Bracket
5. Washer
6. Hex bolt
7. Hex bolt
8. Stud

9. Generator (GEN)

10. Fan wheel
Note direction of rotation, marked with an arrow

11. V-belt pulley
Diameter 70 mm

12. Hex nut
50 Nm (37 ft lb)

13. Washer
14. Hex bolt M8 x 35
35 Nm (26 ft lb)

15. Tensioning nut
16. Tensioning bracket
17. Lift bracket

18. Hex bolts M8 x 25
20 Nm (15 ft lb)

19. Washer
20. Hex bolt M8 x 20
20 Nm (15 ft lb)

21. Spacer
22. Washer