Operation CHARM: Car repair manuals for everyone.
Manuals through 2025 now available!

Our trusted friends have launched a new website named LEMON, which has newer manuals. It also contains all the CHARM manuals.

LEMON is the spiritual successor to CHARM, I recommend you try it!

Link: lemon-manuals.la or lemon-manuals.org.ua

(Some people have issue connecting. LEMON is investigating. For now, use Firefox or change your DNS server)

Or, hide this message: temporarily or permanently

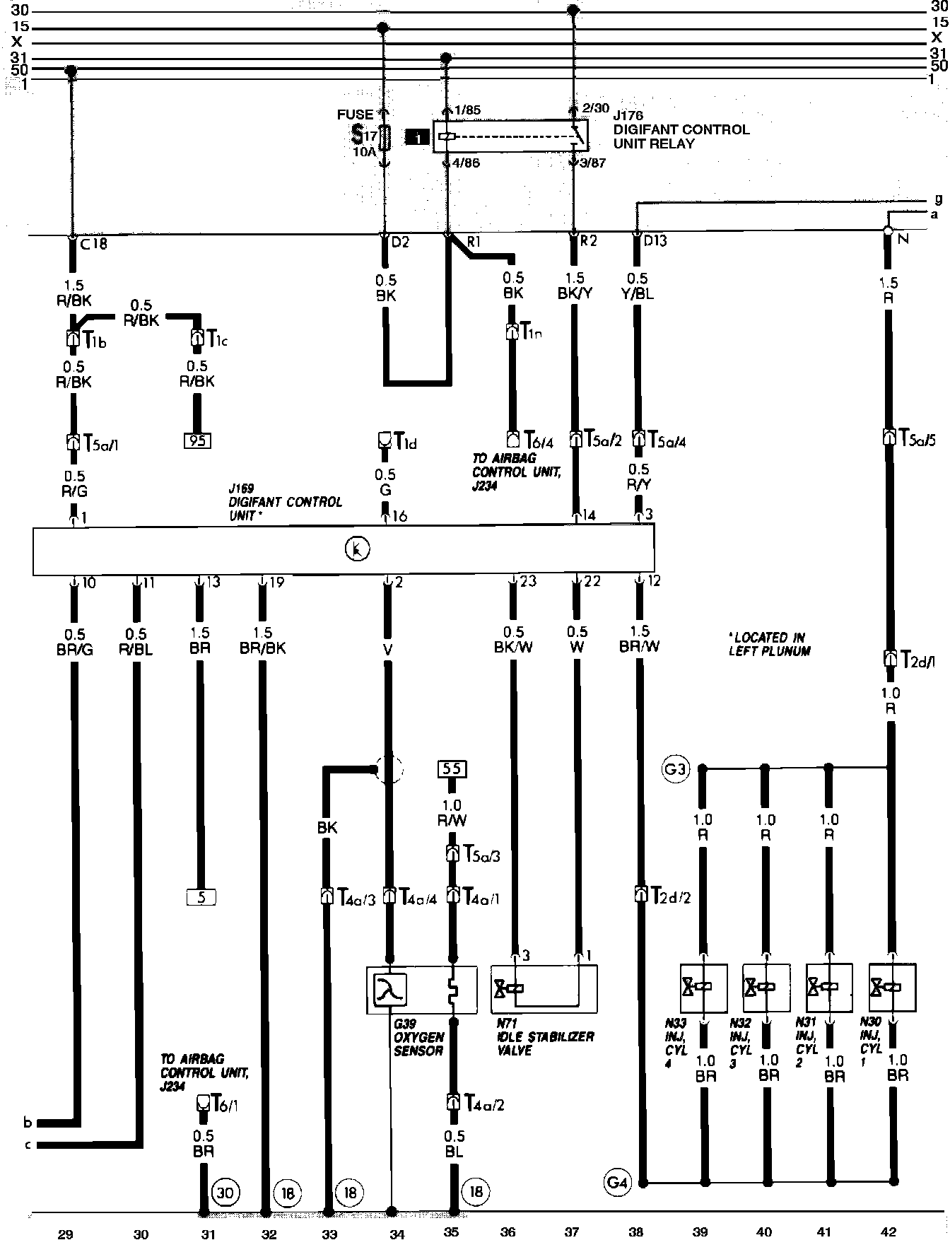
Federal Vehicles (Digifant II) 25-Pin Connector

Digifant II 25 Pin Control Unit Connector:





DIGIFANT II ECM TERMINAL I.D.

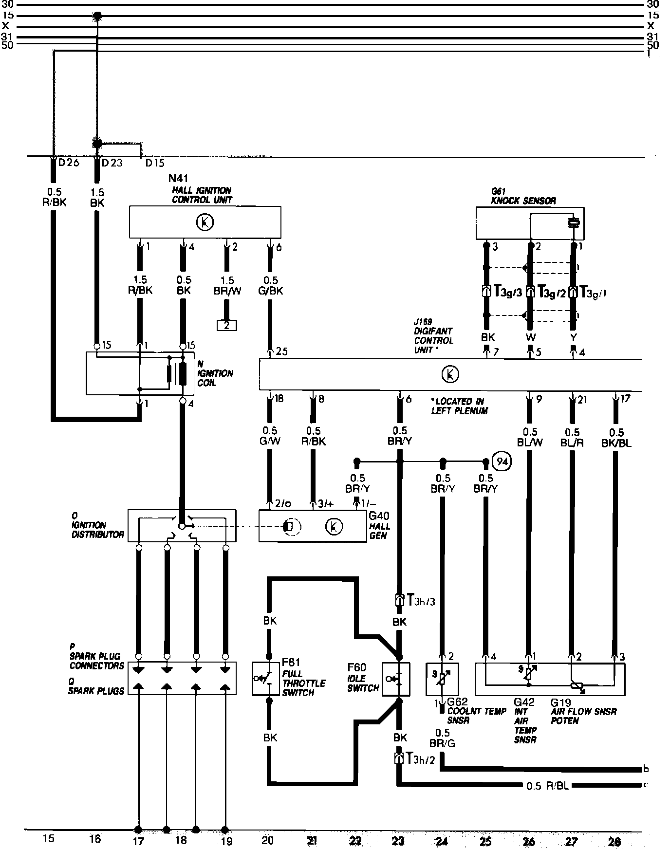
Engine Management (Digifant) & Ignition System:




Engine Management (Digifant):




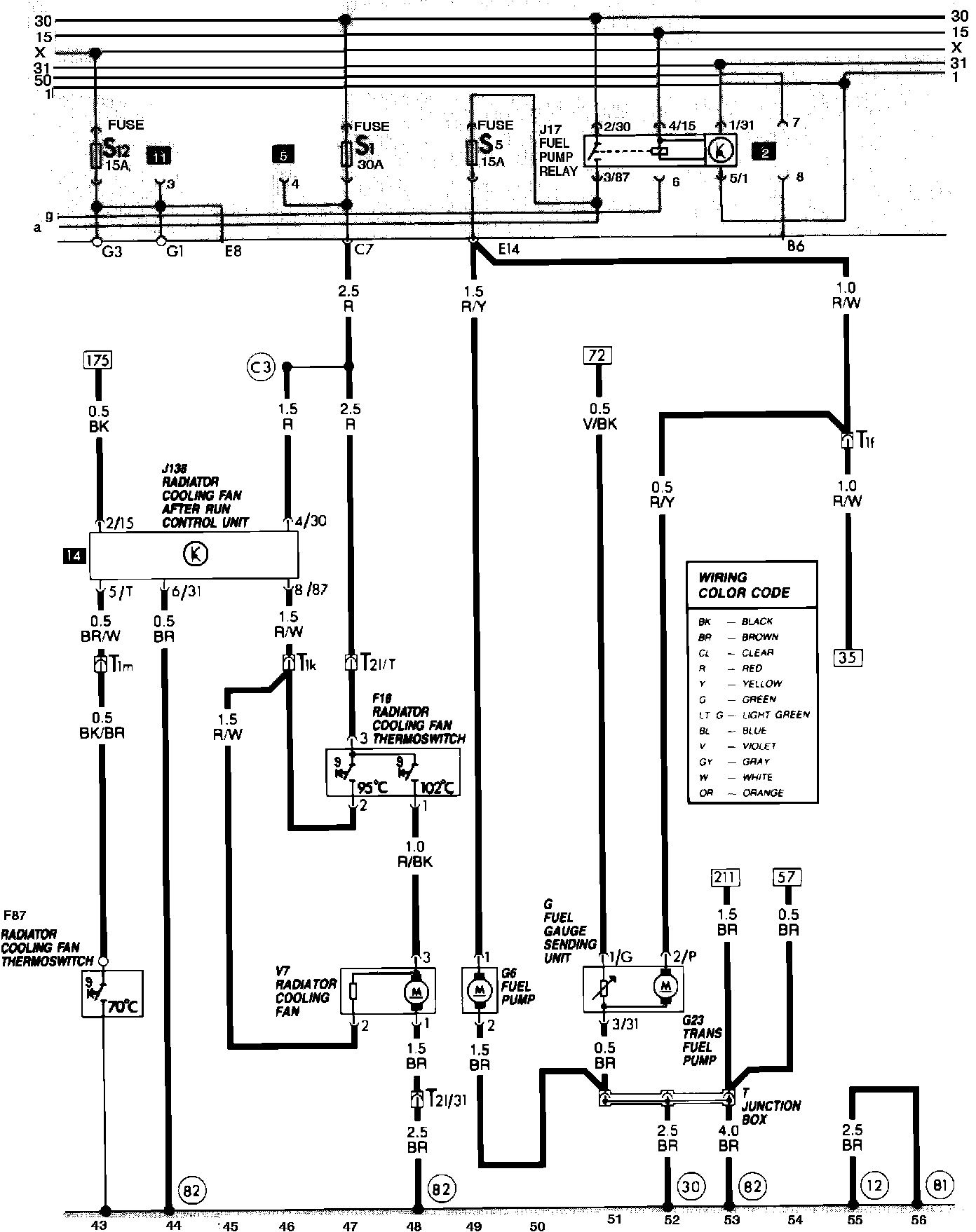
Cooling Fan (Engine), Engine Management (Digifant) & Fuel Pump:





DIGIFANT FUEL INJECTION SYSTEM (FEDERAL VEHICLES)

Digifant II Engine Management System:





COMPONENT DIAGRAM

Digifant II Engine Management System:





SYSTEM WIRING HARNESS


For more complete information refer to CHASSIS ELECTRICAL DIAGRAMS.