Operation CHARM: Car repair manuals for everyone.
Manuals through 2025 now available!

Our trusted friends have launched a new website named LEMON, which has newer manuals. It also contains all the CHARM manuals.

LEMON is the spiritual successor to CHARM, I recommend you try it!

Link: lemon-manuals.la or lemon-manuals.org.ua

(Some people have issue connecting. LEMON is investigating. For now, use Firefox or change your DNS server)

Or, hide this message: temporarily or permanently

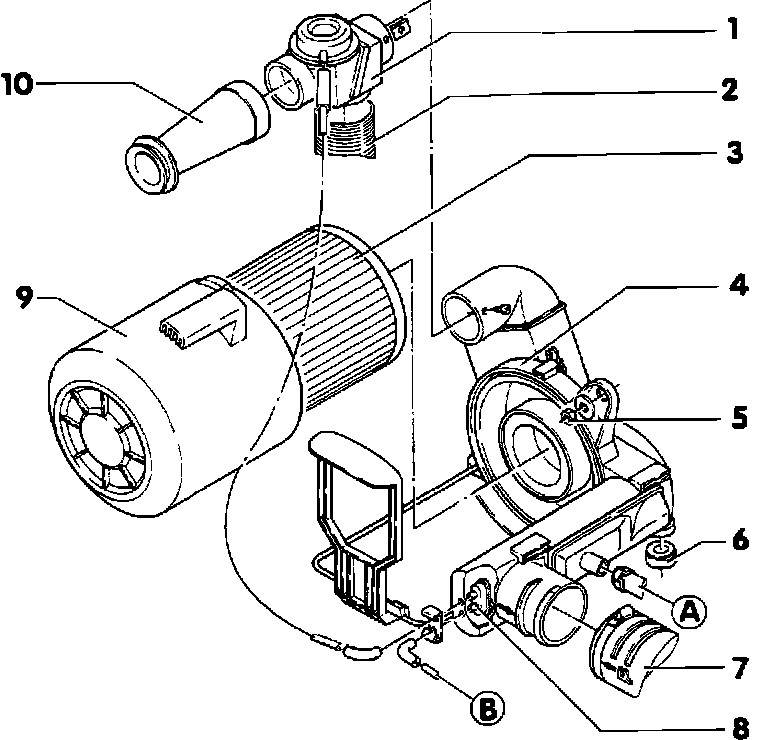
System Diagram

Intake Air Components:





1 - Intake air hose
^ with flap for intake air preheating

2 - Hose from stove heater
^ to hot air capture plate on exhaust manifold

3 - Air cleaner insert
4 - Air cleaner housing
5 - 20 Nm (15 ft lb)
6 - Rubber washer
7 - Intake hose
^ note installed position

8 - Temperature sensor/regulator
^ for intake air preheating
^ brass connector or connector with notch on top
^ intake air preheating,

9 - Air cleaner housing
10 - Snorkel
^ note installed position