Operation CHARM: Car repair manuals for everyone.
Manuals through 2025 now available!

Our trusted friends have launched a new website named LEMON, which has newer manuals. It also contains all the CHARM manuals.

LEMON is the spiritual successor to CHARM, I recommend you try it!

Link: lemon-manuals.la or lemon-manuals.org.ua

(Some people have issue connecting. LEMON is investigating. For now, use Firefox or change your DNS server)

Or, hide this message: temporarily or permanently

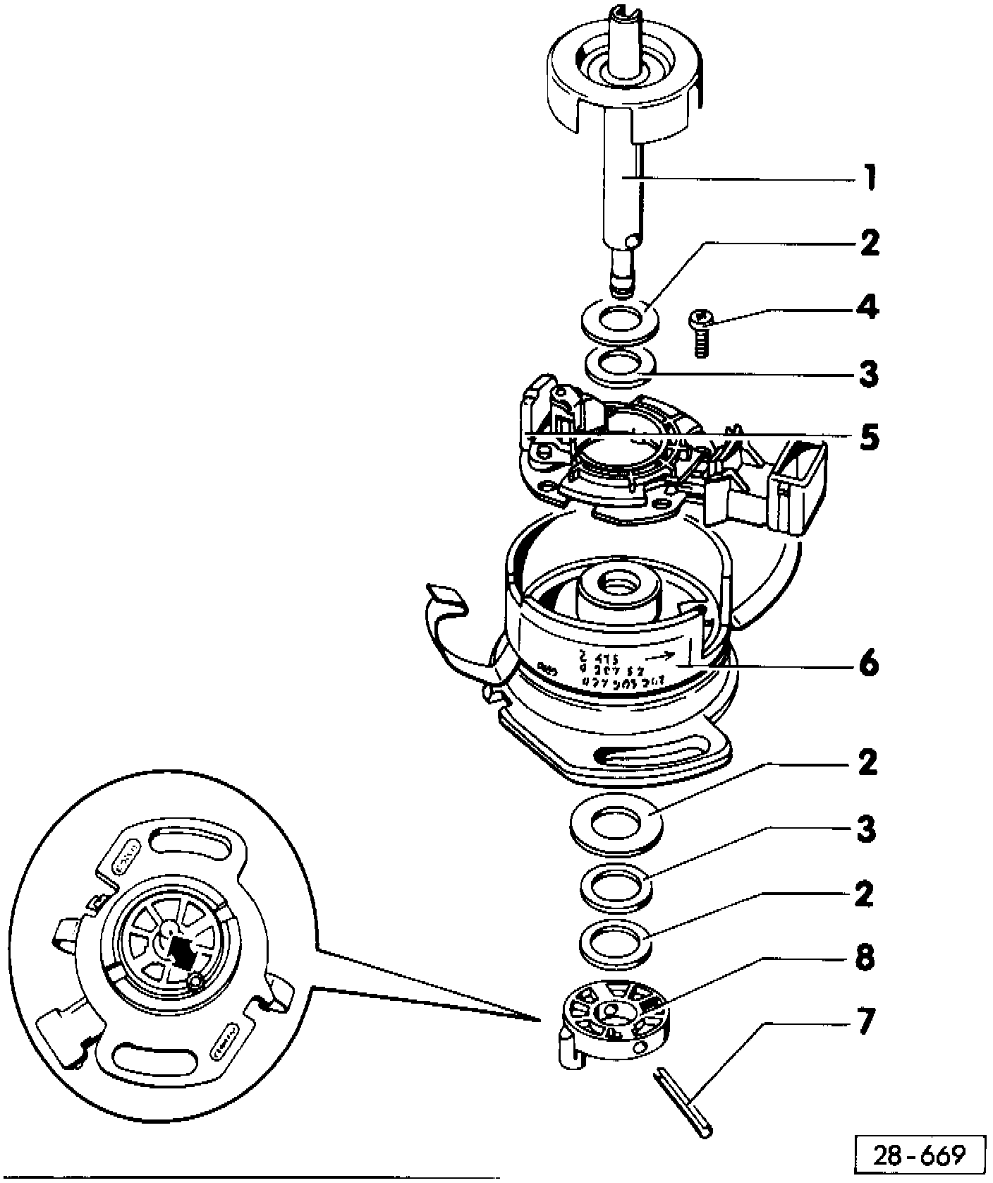
Distributor, Ignition





NOTE: During assembly, be sure that the clutch (item 8) on pin (item 7) moves easily, and the play for distributor shaft (item 1) is not reduced.

1 - Ignition distributor shaft
^ with trigger wheel
^ Pull out of housing after removing pin (item 7)

2 - Washers

3 - Plastic spacer

4 - 3 Nm (27 in lb)

5 - Camshaft Position sensor G4O
^ Ensure that it is securely installed in distributor housing (item 6)

6 - Ignition distributor housing

7 - Pin

8 - Coupling
^ Before removing, position drive pin toward distributor shaft (item 1)