Operation CHARM: Car repair manuals for everyone.
Manuals through 2025 now available!

Our trusted friends have launched a new website named LEMON, which has newer manuals. It also contains all the CHARM manuals.

LEMON is the spiritual successor to CHARM, I recommend you try it!

Link: lemon-manuals.la or lemon-manuals.org.ua

(Some people have issue connecting. LEMON is investigating. For now, use Firefox or change your DNS server)

Or, hide this message: temporarily or permanently

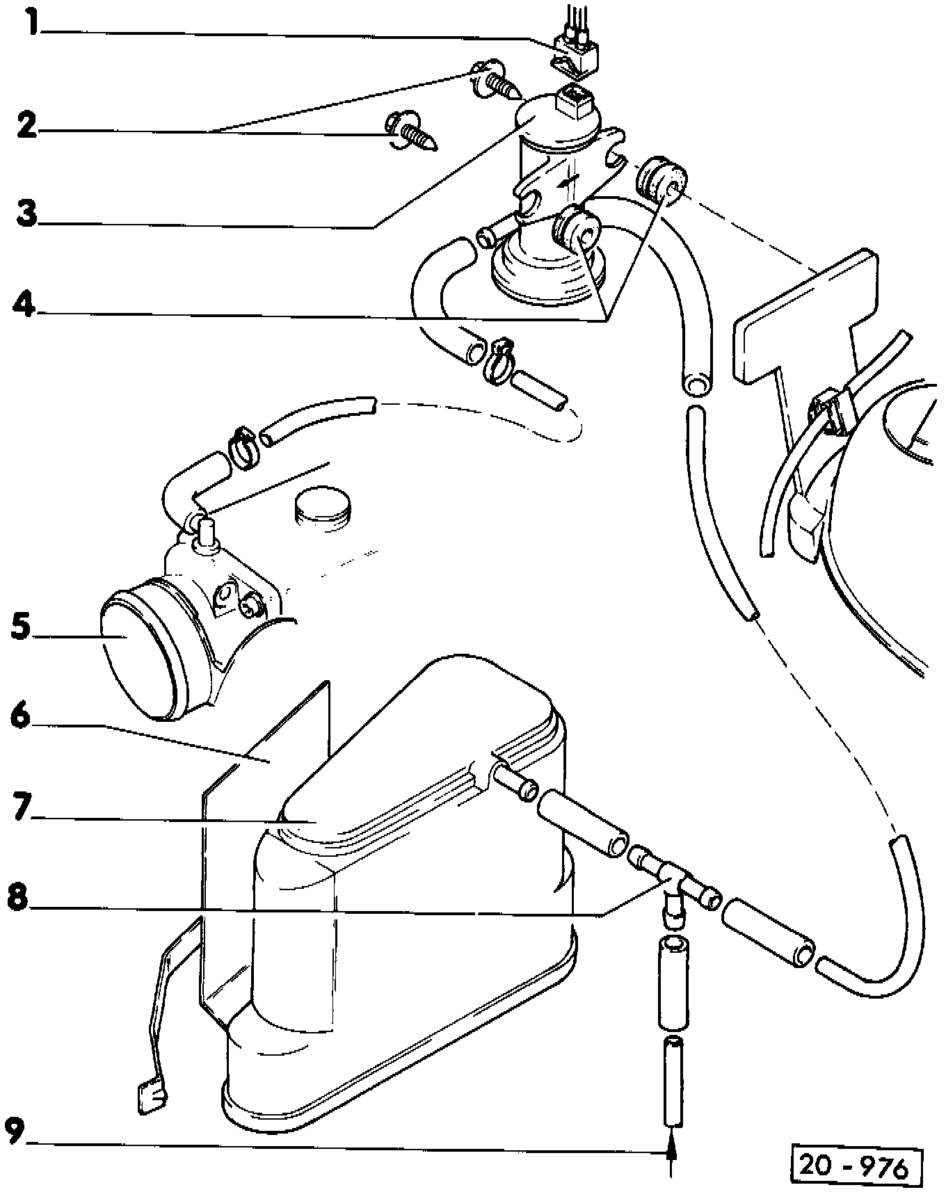
EVAP System




1 - Connector
2 - 10 Nm (7 ft lb)
3 - EVAP canister purge regulator valve N80
^ controlled by the Engine Control Module (ECM)
^ note installed position
^ arrow points in direction of flow

4 - Rubber bushing
5 - Throttle body
6 - Bracket
7 - EVAP canister
^ location: front left wheel housing

8 - Tee
9 - Breather hose
^ from fuel tank