Operation CHARM: Car repair manuals for everyone.
Manuals through 2025 now available!

Our trusted friends have launched a new website named LEMON, which has newer manuals. It also contains all the CHARM manuals.

LEMON is the spiritual successor to CHARM, I recommend you try it!

Link: lemon-manuals.la or lemon-manuals.org.ua

(Some people have issue connecting. LEMON is investigating. For now, use Firefox or change your DNS server)

Or, hide this message: temporarily or permanently

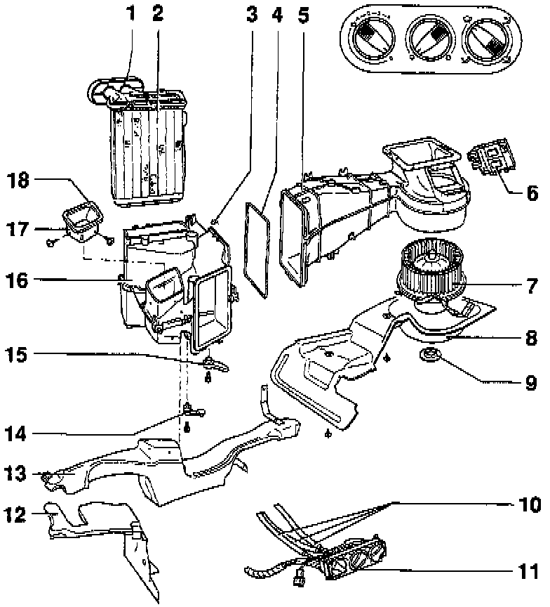
Heater Core







1 Gasket
- Replace
2 Heat exchanger
- Gaskets must be glued, free of gaps all around.
- If catches do not engage when installing, then secure heat exchanger with screws.
3 Clip
4 Gasket
5 Air duct with main shut-off flap
- Do not disassemble further
6 Series resistor -N24-
7 Fresh air blower -V2-
8 Air duct cover
9 Plug
10 Cables
11 Fresh air and heated air controls
12 Pedal cluster cover
13 Footwell vent
14 Temperature flap lever
15 Center flap lever
16 Air distribution housing
- Do not disassemble further.
17 Intermediate piece
18 Gasket
- Replace