Operation CHARM: Car repair manuals for everyone.
Manuals through 2025 now available!

Our trusted friends have launched a new website named LEMON, which has newer manuals. It also contains all the CHARM manuals.

LEMON is the spiritual successor to CHARM, I recommend you try it!

Link: lemon-manuals.la or lemon-manuals.org.ua

(Some people have issue connecting. LEMON is investigating. For now, use Firefox or change your DNS server)

Or, hide this message: temporarily or permanently

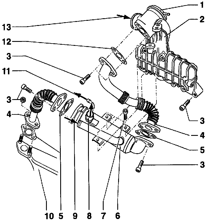
Engine Code AHU





NOTE: When installing, tighten all bolts finger tight (parts free to move slightly) then tighten free of stress.

1. EGR valve
2. Intake manifold
3. 25 Nm (18 ft lb).
4. Connecting pipe
5. Gasket
- Always replace
6. EGR cooler
7. 10 Nm (7 ft lb).
8. To heater core
9. From cylinder head
10. Exhaust manifold
11. To overflow reservoir
12. Flange gasket
- Always replace
13. From charge air cooler