Operation CHARM: Car repair manuals for everyone.
Manuals through 2025 now available!

Our trusted friends have launched a new website named LEMON, which has newer manuals. It also contains all the CHARM manuals.

LEMON is the spiritual successor to CHARM, I recommend you try it!

Link: lemon-manuals.la or lemon-manuals.org.ua

(Some people have issue connecting. LEMON is investigating. For now, use Firefox or change your DNS server)

Or, hide this message: temporarily or permanently

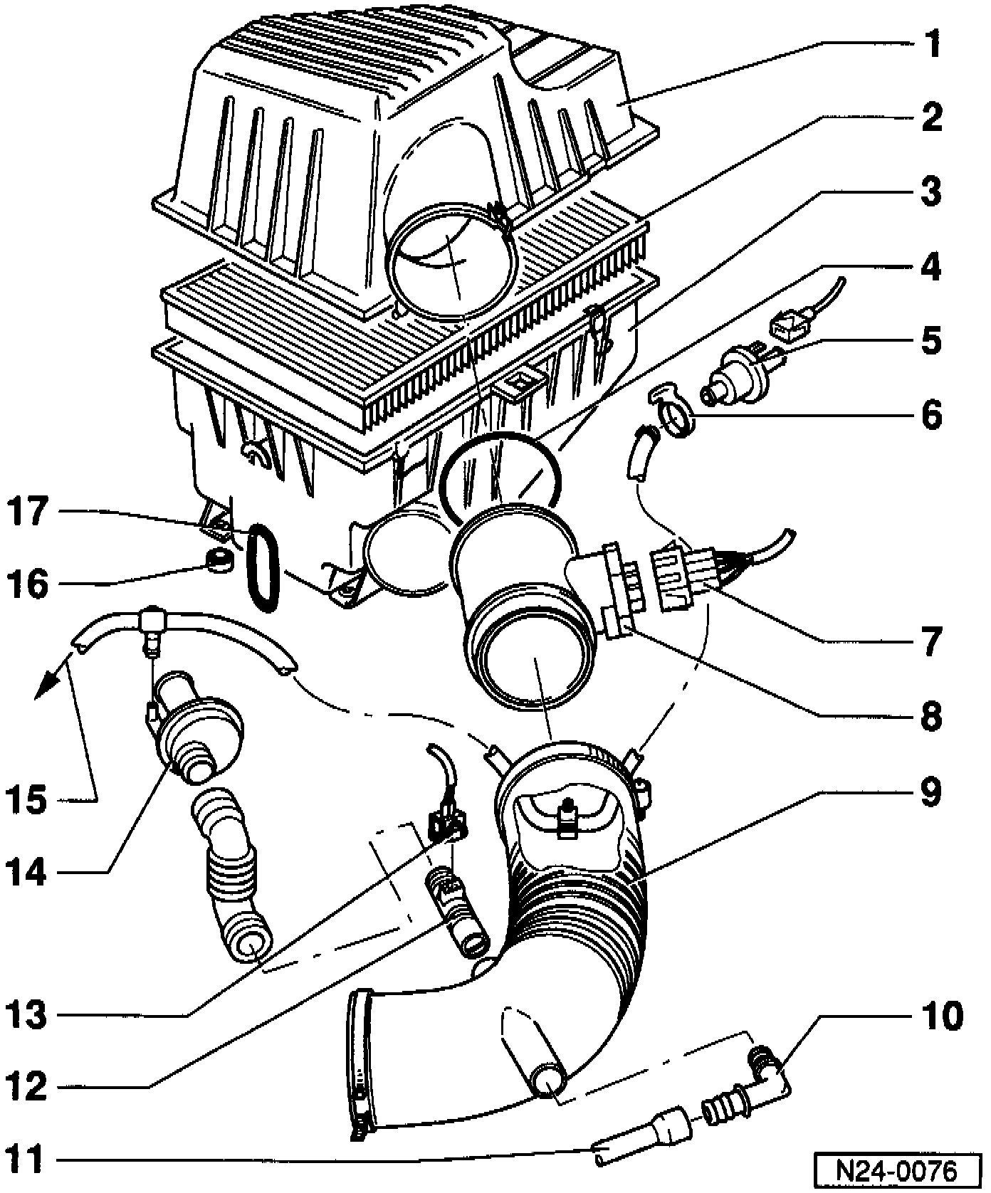
Air Flow Meter/Sensor: Service and Repair

Removing and Installing:
- Air Cleaner (ACL).
- Mass Air Flow (MAF) Sensor.
- Positive Crankcase Heating Element.






1. Air Cleaner (ACL), upper
2. Filter element
3. Air cleaner (ACL), lower
4. O-ring
- Replace if damaged
5. Evaporative Emission (EVAP) canister purge regulator valve -N80-*1**
- EVAP canister system
6. Retaining ring
- For EVAP canister purge regulator valve
7. Connector
- 4-pin
- For MAF sensor -G70-
8. Mass Air Flow (MAF) sensor -G70-*
9. Intake air duct
10. Elbow
11. Hose
12. Positive Crankcase Ventilation (PCV) heating element -N79-
- Arrow on heater element shows air flow direction
- Resistance at ambient temperature of approx. 25°C (77°F) Specification: 7-12 ohms
13. Connector
- 2-pin
- For PCV heating element -N79-
- Check O2S heating voltage supply between terminals 1 and 2 with ignition switched on: approx. battery voltage (B+)
14. Positive Crankcase Ventilation (PCV) valve
15. To intake manifold, upper
16. Rubber disc
17. Retaining ring