Operation CHARM: Car repair manuals for everyone.
Manuals through 2025 now available!

Our trusted friends have launched a new website named LEMON, which has newer manuals. It also contains all the CHARM manuals.

LEMON is the spiritual successor to CHARM, I recommend you try it!

Link: lemon-manuals.la or lemon-manuals.org.ua

(Some people have issue connecting. LEMON is investigating. For now, use Firefox or change your DNS server)

Or, hide this message: temporarily or permanently

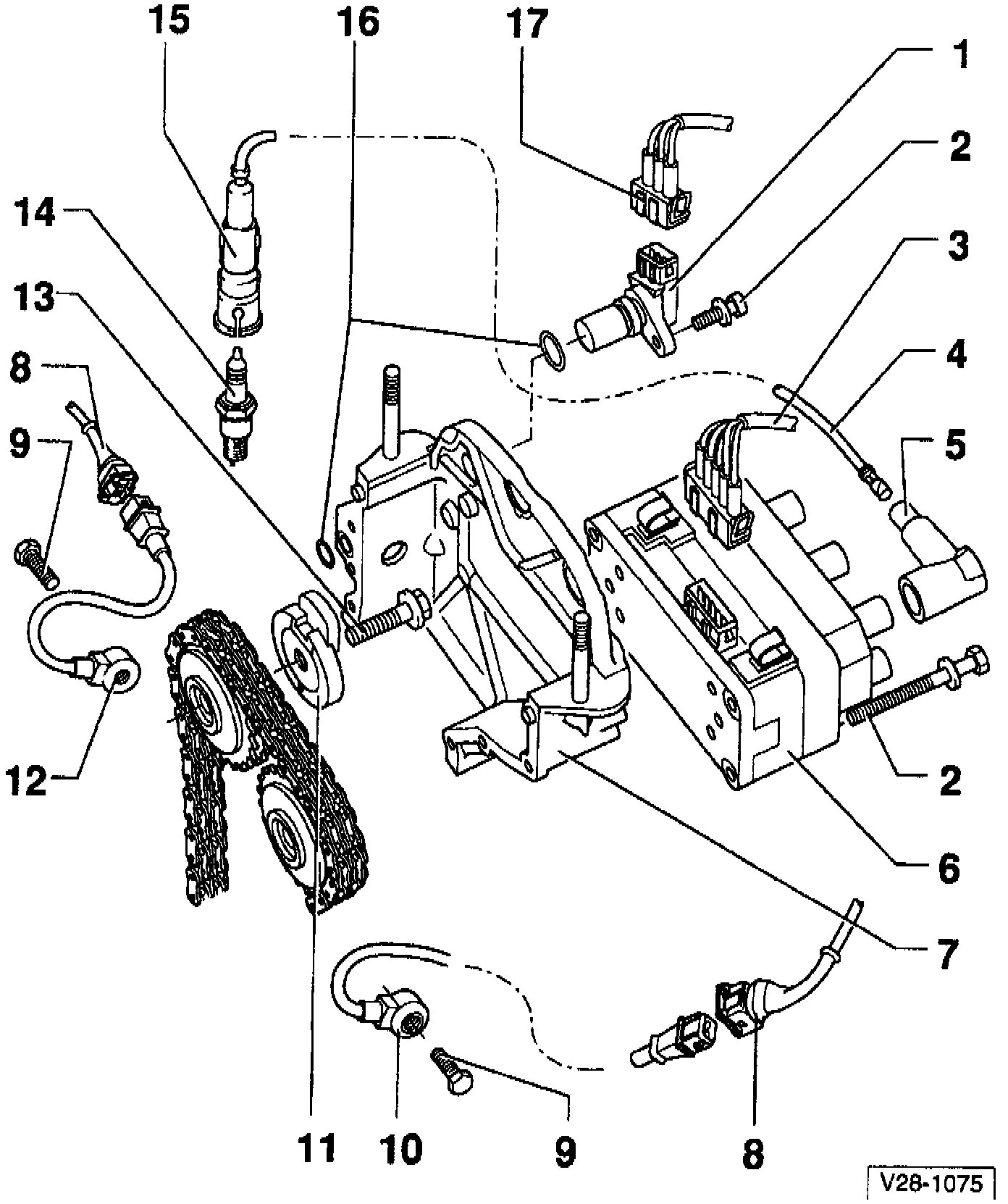
Exploded Views




1 - Camshaft Position (CMP) Sensor G40
^ note spacer rings

2 - 10 Nm (7 ft lb)
3 - Connector
^ 5-pin
^ for ignition coil N152

4 - Ignition Cable
^ check for continuity

5 - Suppressor
^ resistance: 0.6 - 1.4 k Ohms.

6 - Ignition Coil
^ with ignition cable identification, do not interchange

7 - Camshaft sprocket cover
8 - Connector
^ 3-pin

9 - 20 Nm (15 ft lb)
^ tightening torque influences function of Knock Sensor

10 - Knock Sensor 2 G66
^ mounting location: cylinder block, intake side

11 - Sensor wheel
^ for Camshaft Position (CMP) sensor G40
^ contact surface on camshaft sprocket must be dry
^ if sensor wheel has been removed, check ignition timing
after installation

12 - Knock Sensor 1 G61
^ mounting location: cylinder block, exhaust side

13 - 100 Nm (74 ft lb)
^ removing/installing: counterhold with 24 mm wrench
on camshaft
^ oil bolt head contact surface

14 - Spark Plug
^ tightening torque: 25 Nm (18 ft lb)
^ remove and install with 3122 B

15 - Spark Plug connector
^ use tool 3277 to connect and disconnect
^ resistance: 4 - 6 k Ohms.

16 - O-ring
^ replace if damaged

17 - Connector
^ 3-pin
^ for Camshaft Position (CMP) Sensor G40