Operation CHARM: Car repair manuals for everyone.
Manuals through 2025 now available!

Our trusted friends have launched a new website named LEMON, which has newer manuals. It also contains all the CHARM manuals.

LEMON is the spiritual successor to CHARM, I recommend you try it!

Link: lemon-manuals.la or lemon-manuals.org.ua

(Some people have issue connecting. LEMON is investigating. For now, use Firefox or change your DNS server)

Or, hide this message: temporarily or permanently

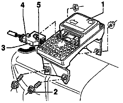
Removal and Installation


NOTE: Disconnect battery Ground strap before removing the control module.




- Remove handle and trim for parking brake.
- Remove center console and extension.
- Remove footwell air outlet.
- If necessary make a cut in the carpeting and soundproofing mats in the area of the control module bracket.
- Push retaining tab -4-, move bracket -5- (arrow) and disconnect connector -3- from control module -1-.
- Remove nuts -2- and remove control module with bracket off the studs.
^ Tightening torque: 20 Nm (15 ft lb)