Operation CHARM: Car repair manuals for everyone.
Manuals through 2025 now available!

Our trusted friends have launched a new website named LEMON, which has newer manuals. It also contains all the CHARM manuals.

LEMON is the spiritual successor to CHARM, I recommend you try it!

Link: lemon-manuals.la or lemon-manuals.org.ua

(Some people have issue connecting. LEMON is investigating. For now, use Firefox or change your DNS server)

Or, hide this message: temporarily or permanently

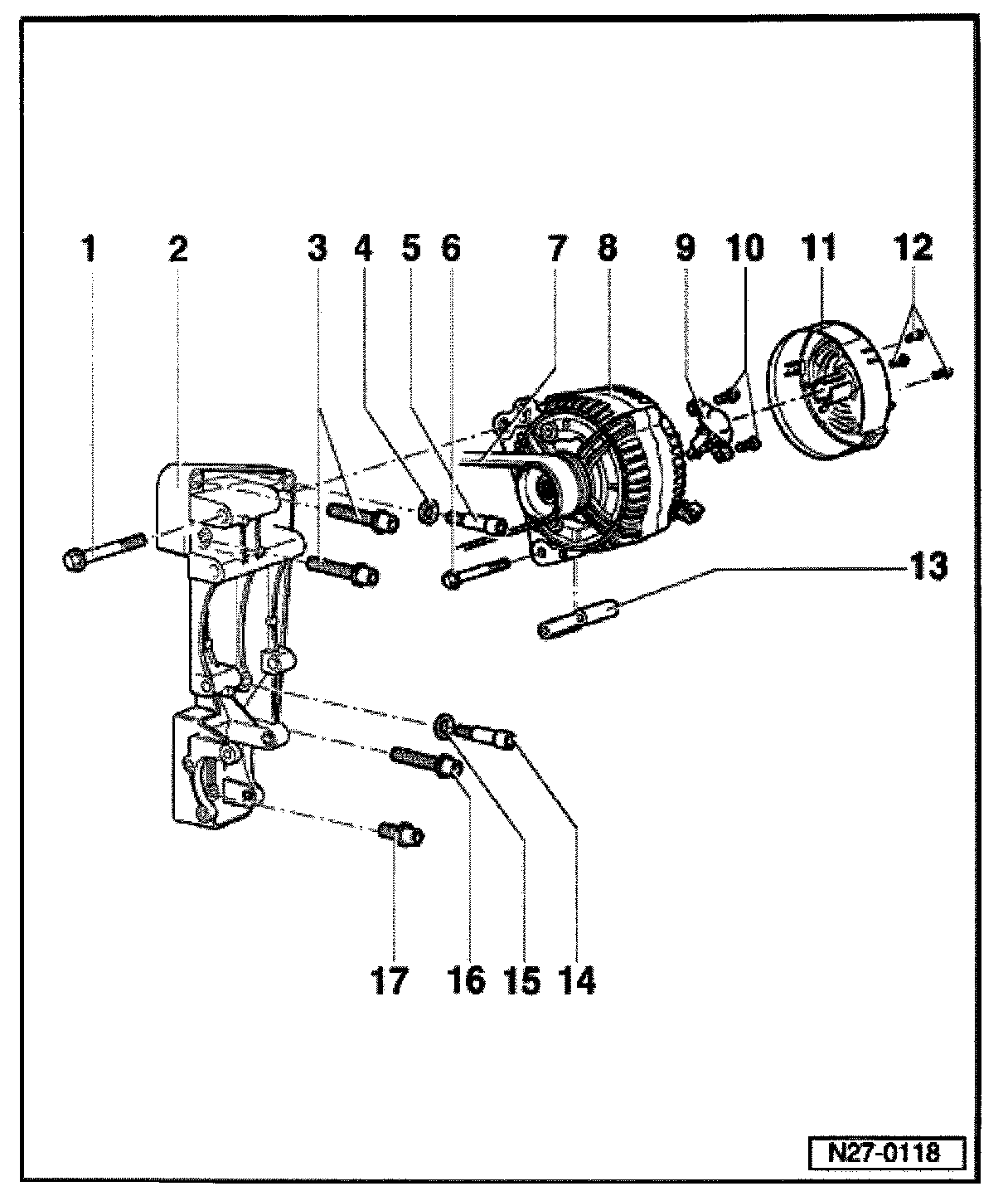
Generator (GEN), Mounting



Generator (GEN), Mounting And Ribbed Belt Routing

Generator (GEN), Mounting 6-Cyl. engine






1 - Hex bolt M8
- 25 Nm
2 - Bracket
3 - Allen combibolts M8 x 60
- 25 Nm
4 - Washer
5 - Guide bolt M8 x 60
- 25 Nm

6 - Hex bolt M8
- 25 Nm

7 - Ribbed belt
8 - Generator
9 - Voltage regulator
- Removing components 12, 11 & 10
10 - Screws M4 x 25
11 - Protective cap
12 - Screws
13 - Generator / compressor bracket
14 - Guide bolt M8 x 60
- 25 Nm

15 - Washer
16 - Allen combi-bolt M8 x 60
- 25 Nm

17 - Allen combi-bolt M8 x 20
- 25 Nm