System Diagram
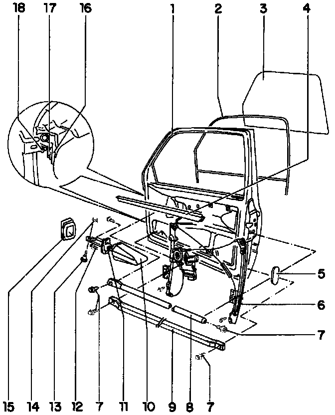
1- Door
2- Window channel
3- Door window
4- Window slot seal
5- Cover
6- Window regulator
7- Hex bolt
8- Upper side impact member
9- Lower side impact member
10- Door check strap sleeve
11- Door check strap
12- Hex-head screw
13- Bolt
14- Locking nut
15- Door check strap cover
16- Door hinge
17- Torx bolt T45
18- Screw