Operation CHARM: Car repair manuals for everyone.
Manuals through 2025 now available!

Our trusted friends have launched a new website named LEMON, which has newer manuals. It also contains all the CHARM manuals.

LEMON is the spiritual successor to CHARM, I recommend you try it!

Link: lemon-manuals.la or lemon-manuals.org.ua

(Some people have issue connecting. LEMON is investigating. For now, use Firefox or change your DNS server)

Or, hide this message: temporarily or permanently

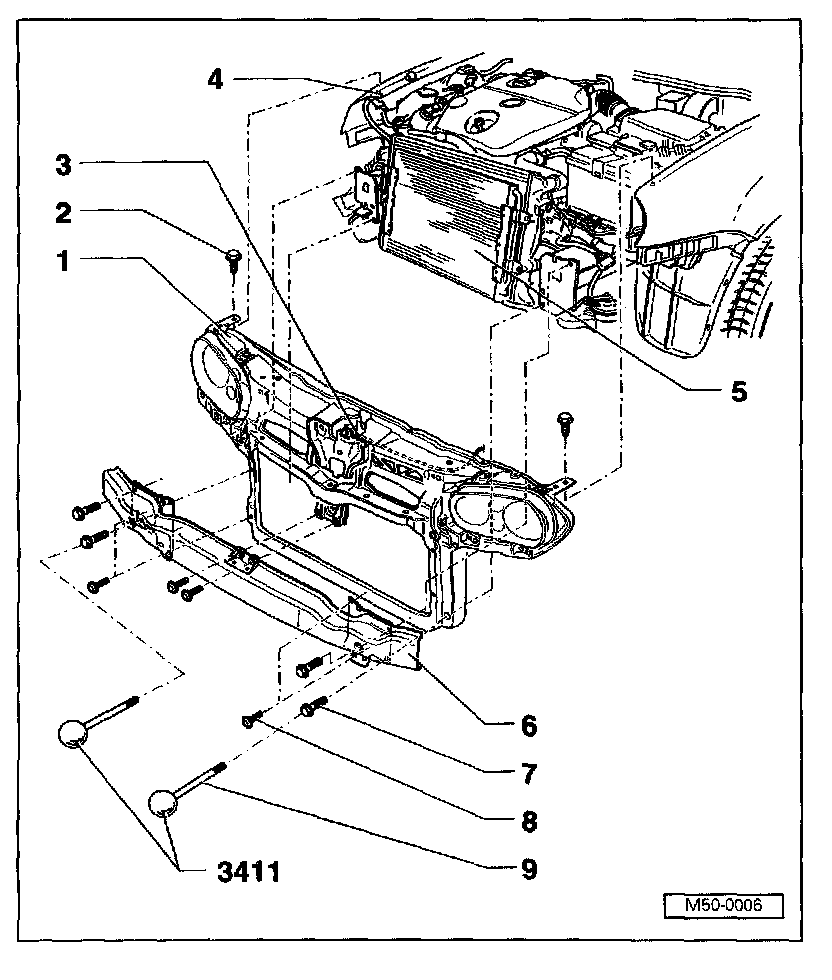
Procedures



Lock carrier service position





- Remove front bumper cover. Service and Repair
- Disconnect bowden cable at lock.
- Remove one bolt each at longmembers and screw in Guide rods 3411 at right and left longmembers.

- Remove bolts and pull lock carrier torward front in area of Guide rods 3411.