Operation CHARM: Car repair manuals for everyone.
Manuals through 2025 now available!

Our trusted friends have launched a new website named LEMON, which has newer manuals. It also contains all the CHARM manuals.

LEMON is the spiritual successor to CHARM, I recommend you try it!

Link: lemon-manuals.la or lemon-manuals.org.ua

(Some people have issue connecting. LEMON is investigating. For now, use Firefox or change your DNS server)

Or, hide this message: temporarily or permanently

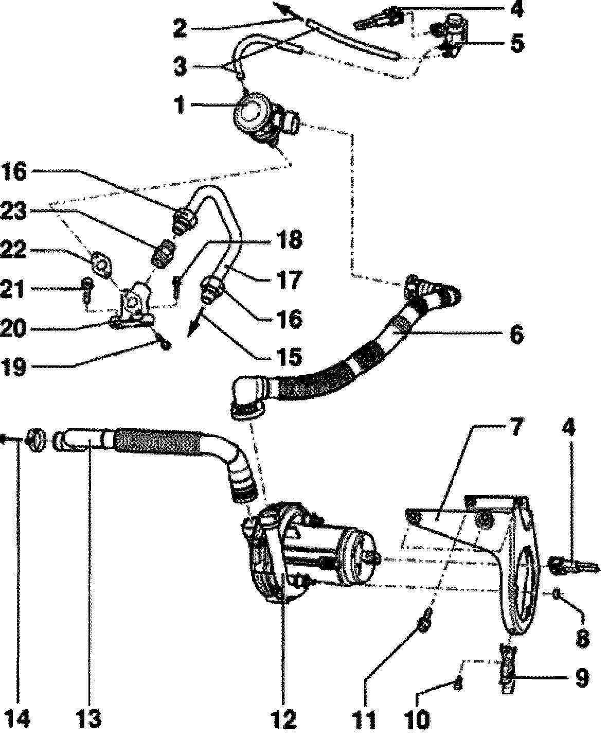
Air Injection: Service and Repair


Secondary air injection system components, removing and installing

Note: Complete system is checked using on board diagnostic, Refer to Fuel Delivery and Air Induction..





1 Pneumatic valve
^ Checking, Refer to Testing and Inspection.
2 To brake servo line connector
3 Vacuum hose
4 2-pin harness connector
5 Secondary Air Injection (AIR) solenoid valve
^ Checking, Refer to Air Control Valve.
6 Pressure hose
^ Ensure it is securely seated
7 Secondary Air Injection (AIR) system pump motor bracket
8 10 Nm (7 ft. lbs.)
9 A/C hose bracket
10 10 Nm (7 ft. lbs.)
11 25 Nm (18 ft. lbs.)
12 Secondary - Air Injection (AIR) system pump motor
^ Checking go to Page 26-21
13 Secondary - Air Injection (AIR) pump intake hose
14 To Air Cleaner
15 To exhaust manifold union
16 30 Nm (22 ft. lbs.)
17 Connector - tube18
19 10 Nm (7 ft. lbs.)
20 10 Nm (7 ft. lbs.)
21 Pneumatic - valve connector housing
22 25 Nm (18 ft. lbs.)
23 Gasket
^ Always replace
24 Union