Operation CHARM: Car repair manuals for everyone.
Manuals through 2025 now available!

Our trusted friends have launched a new website named LEMON, which has newer manuals. It also contains all the CHARM manuals.

LEMON is the spiritual successor to CHARM, I recommend you try it!

Link: lemon-manuals.la or lemon-manuals.org.ua

(Some people have issue connecting. LEMON is investigating. For now, use Firefox or change your DNS server)

Or, hide this message: temporarily or permanently

Body and Frame: Service and Repair



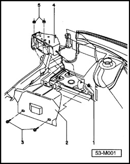
Vibration Counterweight, Removing And Installing







1 - Nut
- Tightening torque: 46 Nm

2 - Counter weight cover
3 - Screw
4 - Counterweight
5 - Nut
- Tightening torque: 27 Nm

Removing
- Remove screws - 3 - and remove counterweight cover - 2 -.
- Remove nuts - 5 - and nut - 1 -.
- Remove counterweight.

Installing
- Install in reverse order of removal