Operation CHARM: Car repair manuals for everyone.
Manuals through 2025 now available!

Our trusted friends have launched a new website named LEMON, which has newer manuals. It also contains all the CHARM manuals.

LEMON is the spiritual successor to CHARM, I recommend you try it!

Link: lemon-manuals.la or lemon-manuals.org.ua

(Some people have issue connecting. LEMON is investigating. For now, use Firefox or change your DNS server)

Or, hide this message: temporarily or permanently

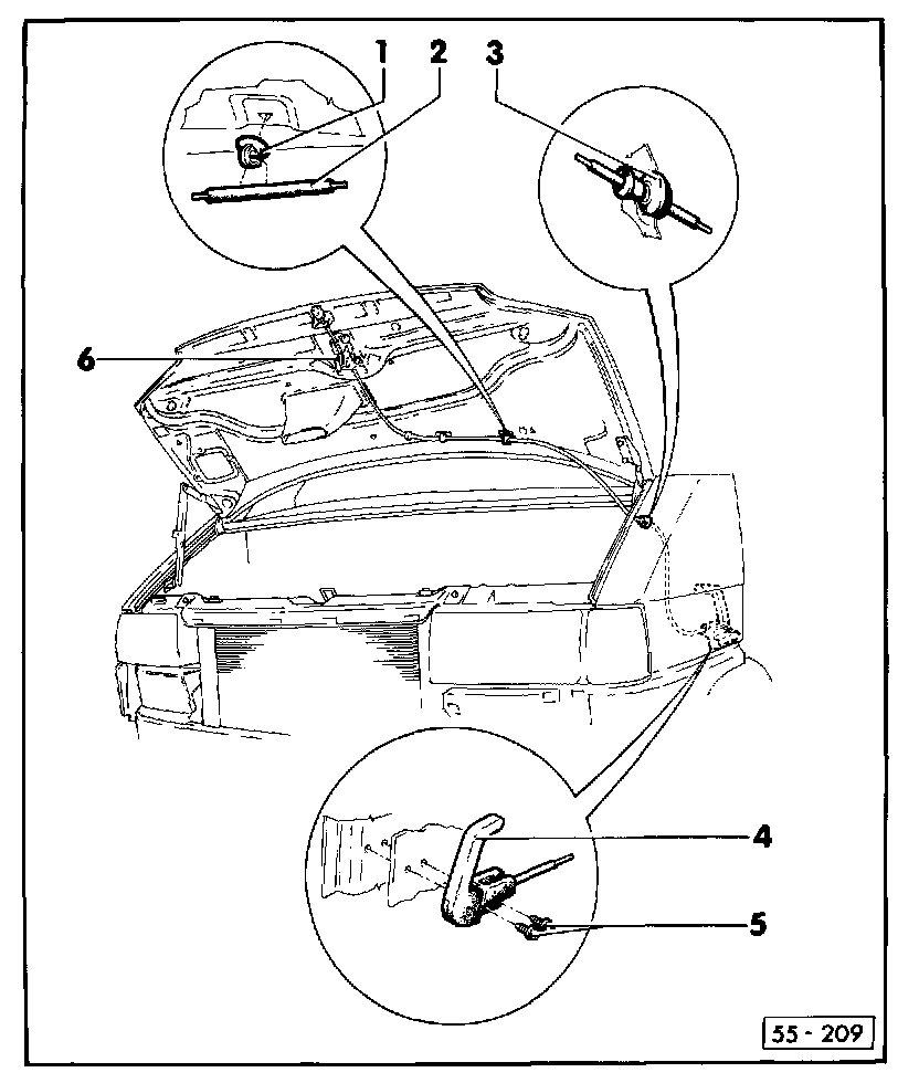
Hood Latch Release Cable









1 - Clip
- Removing: turn 60° and pull out
- Installing: insert and turn 60°
2 - Hood release cable
3 - Cable grommet
- In front panel
4 - Release lever
5 - Self-tapping screw
6 - Hood latch
- Cable installed