Operation CHARM: Car repair manuals for everyone.
Manuals through 2025 now available!

Our trusted friends have launched a new website named LEMON, which has newer manuals. It also contains all the CHARM manuals.

LEMON is the spiritual successor to CHARM, I recommend you try it!

Link: lemon-manuals.la or lemon-manuals.org.ua

(Some people have issue connecting. LEMON is investigating. For now, use Firefox or change your DNS server)

Or, hide this message: temporarily or permanently

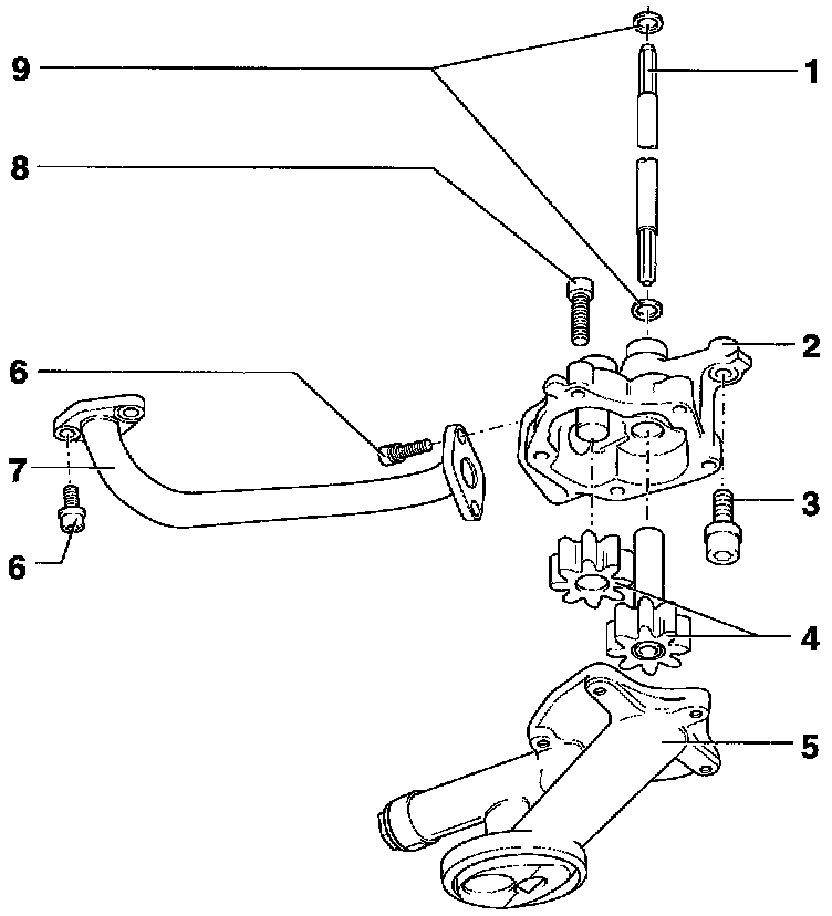
Oil Pump, Engine







Legend
1 Drive Shaft
2 Oil Pump Housing
3 Oil Pump To Block Bolt
4 Gears
5 Oil Pump Cover (with Pressure Relief Valve)
6 Oil Pressure Pipe Bolt
7 Oil Pressure Pipe
8 Oil Pump Case Bolt
9 O-Ring