Operation CHARM: Car repair manuals for everyone.
Manuals through 2025 now available!

Our trusted friends have launched a new website named LEMON, which has newer manuals. It also contains all the CHARM manuals.

LEMON is the spiritual successor to CHARM, I recommend you try it!

Link: lemon-manuals.la or lemon-manuals.org.ua

(Some people have issue connecting. LEMON is investigating. For now, use Firefox or change your DNS server)

Or, hide this message: temporarily or permanently

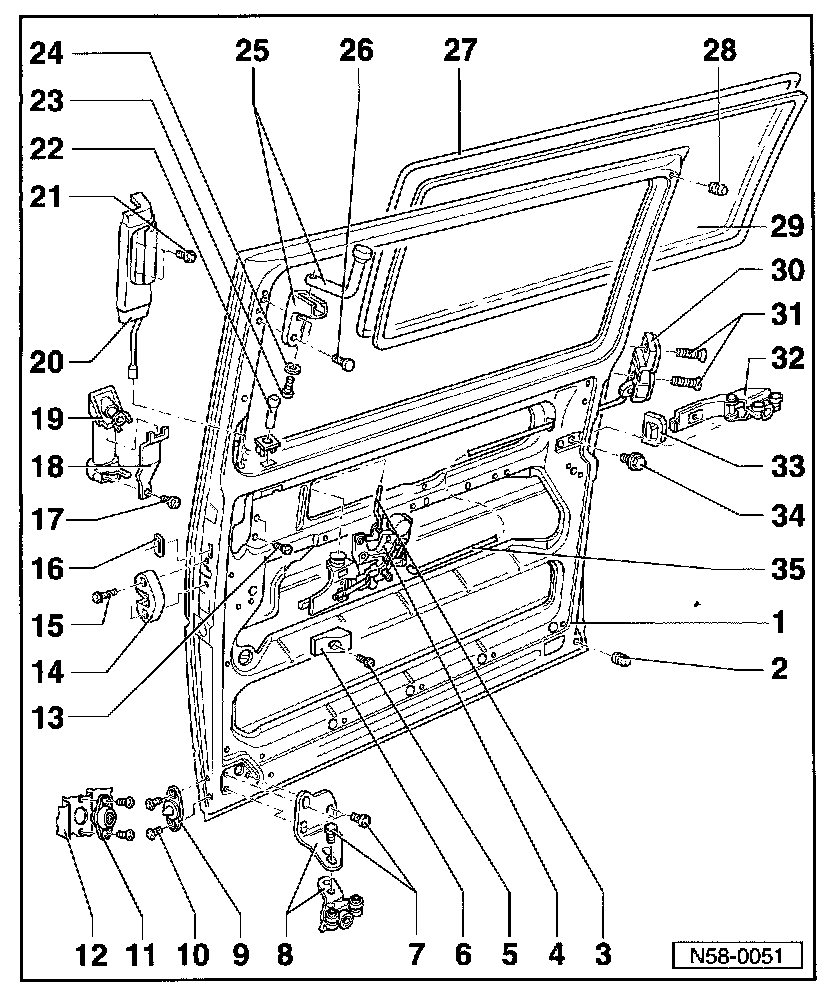
Sliding Door









1 - Sliding door
- Removing See 'Service and Repair.' Service and Repair
- Adjusting See 'Adjustments.' Adjustments
2 - Rubber bumper
3 - Lock rod
4 - Remote control
5 - Phillips screw
- 19 Nm (14 ft lb)
6 - Center stop
7 - Oval head screw
- 19 Nm (14 ft lb).
8 - Lower roller guide
9 - Latch pin
- Adjusting See 'Adjustments.' Adjustments
10 - Phillips screw
- 19 Nm (14 ft lb)
11 - Catch plate
12 - B-pillar
13 - Hex recess bolt
- 8 Nm (6 ft lb)
14 - Catch plate
15 - Phillips screw
- 19 Nm (14 ft lb)
16 - Anchor plate
17 - Phillips screw
- 19 Nm (14 ft lb)
18 - Tension spring
19 - Outer door handle
- Removing See 'Door Handle.' Service and Repair
20 - Inside door handle
21 - Hex recess bolt
- 8 Nm (71 in. lb)
22 - Lock knob
- Screw on to rod
23 - Hex recess bolt
- 12 Nm (9 ft lb)
24 - Washer
25 - Upper roller guide
26 - Hex recess bolt
- 12 Nm (9 ft lb)
27 - Window molding
- Destroyed during removal
28 - Rubber bumper
29 - Sliding door window
- Flush bonded window See 'Windows and Glass.' Windows
- Sliding window, repairing See 'Windows and Glass.' Windows
30 - Remote control locking
- Removing See 'Body And Frame, Locks.' Locks
31 - Phillips screw
- 19 Nm (14 ft lb)
32 - Hinge
33 - Seal
34 - Hex screw and washer assembly
- 54 Nm (40 ft lb)
35 - Latch actuator rod
- Connection from remote control to central lock


Sliding door, adjusting
- Remove sliding door molded trim See 'Body And Frame, Interior Trim.'

Hinge, adjusting







- Loosen latch striker -1- by loosening phillips screws -2-.







- Close sliding door, loosen hex bolts -1- from inside vehicle
- Have second technician lift sliding door and push hinge as far forward as possible.
- Tighten hex bolts -1-.
Tightening torque: hex bolt -1- 58 Nm (43 ft lb)

Lower roller guide, adjusting
- Sliding door height not correct
- Sliding door outer contour does not match "B" pillar







- To adjust height, loosen Phillips screws -1- and align accordingly -arrow-.
Tightening torque: Phillips screw -1- = 19 Nm (14 ft lb)

If sliding door contour does not match "B" pillar, make adjustments with Phillips screws -2- as follows:

Without step trim







- Press plastic cap -1- out of step from below.

With step trim







- Pry step light -W23- -1- out, if applicable, disconnect connector.







- Uncup step trim -1- at outside -arrows-, lift up out of clips -2-.

Continued, all vehicles

With help of second technician







- Loosen Phillips screws -2-, press sliding door against roller guide -1- -arrow-, tighten one screw -2- next to door.
- Carefully close door
- Loosen screw -2- enough to adjust contour with outer B-pillar, then tighten both screws -2-.

Upper roller guide, adjusting







- Sliding door top front does not match B-pillar contour
- Loosen hex recess bolt -1-, slide upper roller guide -2- on bracket -3- -arrows- until top front of sliding door matches outer B-pillar contour.
Tightening torque: Hex recess bolt -1- = 8 Nm (71 in. lb)

Latch striker, adjusting







- Loosen Phillips screws -2-, striker can now slide horizontally -arrow-.
Tightening torque: Phillips screws -2- = 19 Nm (14 ft lb)







- Adjust latch striker -1- so recess on central lock engages with catch in center of striker -arrow- (door must not be raised or pressed).
- Door must have no free play when closed.

Latch pin, adjusting
- Latch pin must face inside of vehicle, when installing







- Loosen screws -1- enough to move latch pin -2-.







- Close door slowly and check latch pin -1- position to catch plates -2-, latch pins must be parallel to catch plates.
- Close door completely to confirm adjustment.
- Open door and tighten screws.
Tightening torque: screws -1- = 19 Nm (14 ft lb)