Operation CHARM: Car repair manuals for everyone.
Manuals through 2025 now available!

Our trusted friends have launched a new website named LEMON, which has newer manuals. It also contains all the CHARM manuals.

LEMON is the spiritual successor to CHARM, I recommend you try it!

Link: lemon-manuals.la or lemon-manuals.org.ua

(Some people have issue connecting. LEMON is investigating. For now, use Firefox or change your DNS server)

Or, hide this message: temporarily or permanently

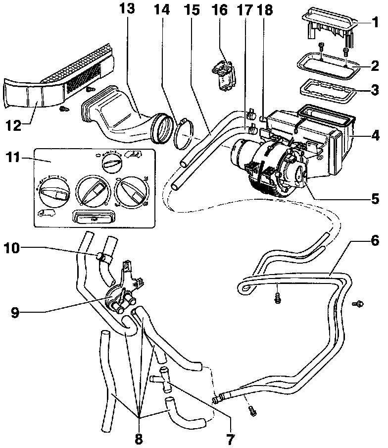
Rear Heater System





1- Vent, in rear passenger compartment or cargo area
2- Cover plate
3- Gasket
4- Air distribution housing
5- Rear warm air fan -V47-
6- Coolant pipe
7- T fitting
8- Coolant hoses in engine compartment
9- Rear heater control valve
10- Bleeder screw
11- Control assembly
12- Sliding door footwell insert
13- Air intake duct
14- Hose clamp
15- Coolant hose, return
16- Heater blower series resistance -N72-
17- Coolant hose, supply
18- Heater core