Operation CHARM: Car repair manuals for everyone.
Manuals through 2025 now available!

Our trusted friends have launched a new website named LEMON, which has newer manuals. It also contains all the CHARM manuals.

LEMON is the spiritual successor to CHARM, I recommend you try it!

Link: lemon-manuals.la or lemon-manuals.org.ua

(Some people have issue connecting. LEMON is investigating. For now, use Firefox or change your DNS server)

Or, hide this message: temporarily or permanently

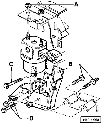
Engine Mount


Tightening Specifications

NOTE: Tightening Torques With Bolts Oiled

Right Side Assembly Mounting





A = 55 Nm (41 ft lb)
B = 60 Nm (44 ft lb)
C = 10 Nm (7 ft lb)

Left Side Assembly Mounting





A = 55 Nm (41 ft lb)
B = 50 Nm (37 ft lb) + 1/4 turn (90°) further
C = 60 Nm (44 ft lb)
D = 30 Nm (18 ft lb)