Operation CHARM: Car repair manuals for everyone.
Manuals through 2025 now available!

Our trusted friends have launched a new website named LEMON, which has newer manuals. It also contains all the CHARM manuals.

LEMON is the spiritual successor to CHARM, I recommend you try it!

Link: lemon-manuals.la or lemon-manuals.org.ua

(Some people have issue connecting. LEMON is investigating. For now, use Firefox or change your DNS server)

Or, hide this message: temporarily or permanently

Evaporative Emissions System: Service and Repair




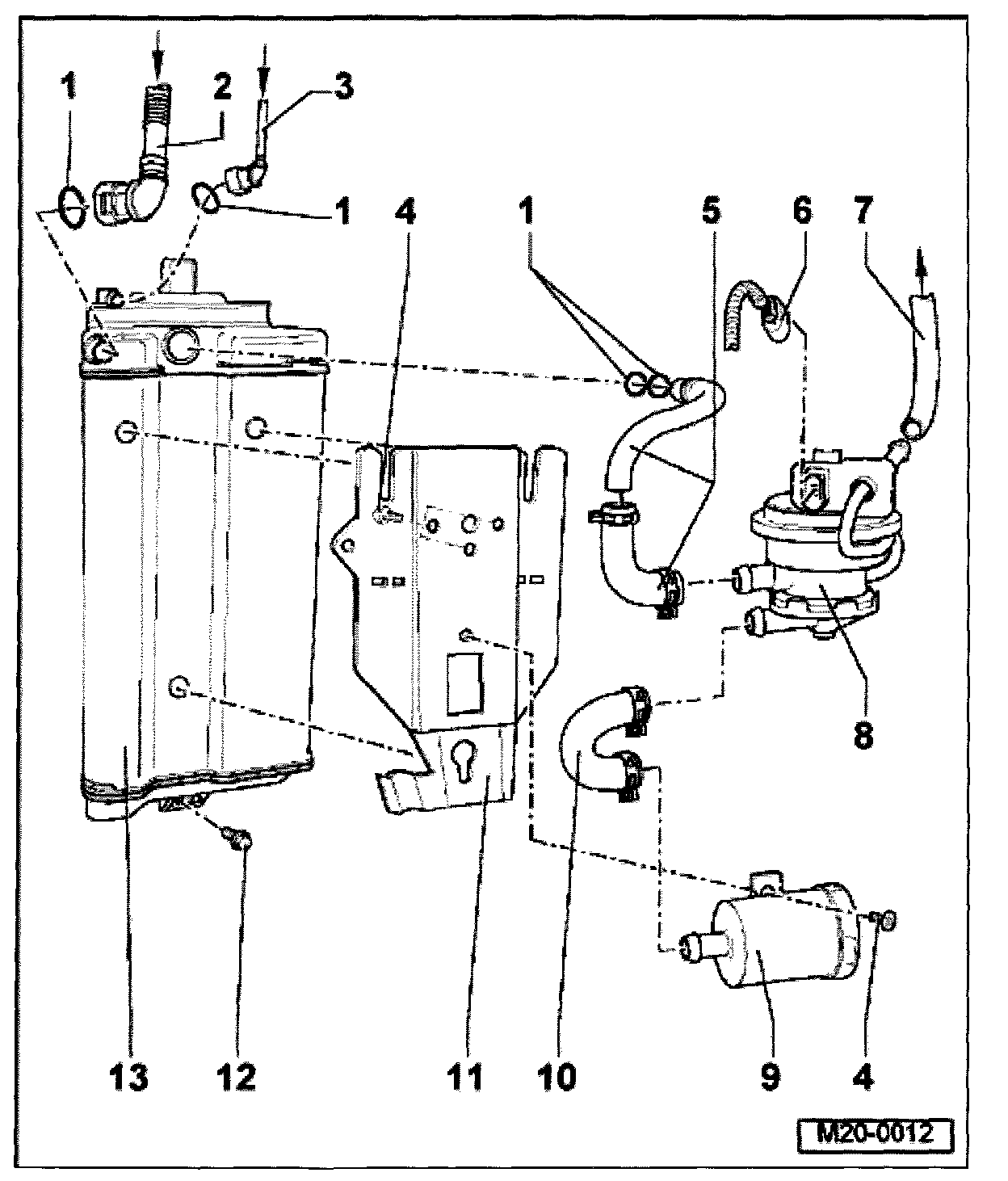
Evaporative Emissions System Components, Repairing







1 - O-Ring
- Replace if damaged
2 - Vent line
- Black
- Make sure tight fit
- From the switch valve on the fuel tank, item -10-
- Press release tabs on the connecting piece to remove from flange
3 - Vent line
- White
- Make sure tight fit
- From the pressure retention valve on the fuel tank, item -12-
- Press release tabs on the connecting piece to remove from flange
4 - Retaining screw
5 - Discharge hose
- Make sure tight fit
6 - Connector
- Black, 3-way
7 - Vacuum line
- To upper intake manifold, item -4-
8 - Leak detection pump (V144)
- Checking
9 - Air filter for leak detection pump
10 - Intake hose
- Make sure tight fit tight fit
11 - Mounting plate
- Clipped onto the charcoal canister
12 - 10 Nm
13 - Activated charcoal canister
- In the rear right wheel housing underneath the liner
- Fastened to the body