Operation CHARM: Car repair manuals for everyone.
Manuals through 2025 now available!

Our trusted friends have launched a new website named LEMON, which has newer manuals. It also contains all the CHARM manuals.

LEMON is the spiritual successor to CHARM, I recommend you try it!

Link: lemon-manuals.la or lemon-manuals.org.ua

(Some people have issue connecting. LEMON is investigating. For now, use Firefox or change your DNS server)

Or, hide this message: temporarily or permanently

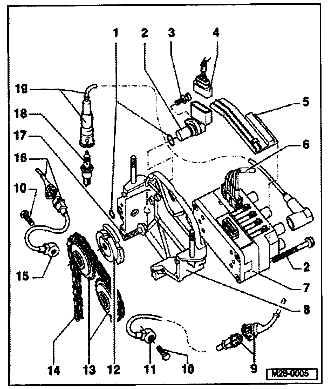
Ignition System Components, Removing and Installing









NOTE: Engine Control Module (ECM) with connectors item 5. Fuel Injection System Components, Removing And Installing


1 - O-ring
- Always replace
2 - Camshaft Position (CMP) sensor -G40-*
- Checking. Refer under "Powertrain Management/Computers and Control Systems/Camshaft Position Sensor", Testing and Inspection
- Installation location, engine compartment overview
- To remove, unclip cable guide (item -5-) for ignition coil.
- Sensor and harness connector contacts are gold- plated
3 - 10 Nm (7 ft lb)
4 - Harness connector
- Black, 3-pin
- Camshaft Position (CMP) sensor -G40-
- Sensor and harness connector contacts are gold-plated
5 - Cable guide
- For ignition coil -N152- (item -7-)
6 - Harness connector
- 5-pin
- For ignition coil -N152-
7 - Ignition coil -N152-
- With ignition cable identification; do not interchange
- Checking, Testing and Inspection
- Installation location, engine compartment overview
8 - Cover
- Removing and installing:
9 - Harness connector
- Brown, 3-pin
- For knock Sensor 2 -G66-
- Sensor and connector contacts are gold-plated
10 - 20 Nm (15 ft lb)
- Tightening torque influences function of knock sensor
11 - Knock Sensor (KS) 2 -G66-*
- Sensor and connector contacts are gold-plated
- Located on intake side of cylinder block
- Checking. Refer under "Powertrain Management/Computers and Control Systems/Knock Sensor", Testing and Inspection
12 - Sender wheel
- For Camshaft Position (CMP) sensor -G40-
- Contact surface of timing chain and sensor wheel must be dry when installing
- If the sensor wheel has been removed, after installing check timing:
13 - Camshaft - chain sprocket
14 - Camshaft - roller chain
15 - Knock Sensor (KS) 1 -G61-*
- Sensor and harness connector contacts are gold-plated
- Located on exhaust side of cylinder block
- Checking. Refer under "Powertrain Management/Computers and Control Systems/Knock Sensor", Testing and Inspection
16 - Harness connector
- White, 3-pin
- For Knock Sensor (KS) 1 -G61-
- Sensor and harness connector contacts are gold-plated
17 - 100 Nm (74 ft lb)
- Oil bolt head contact surface when installing
- To remove and install, counter-hold using 24 mm spanner on camshaft
18 - Spark plug
- 25 Nm (18 ft lb)
- Remove and install using 3122B spark plug spanner
- Type and electrode gap, test data, spark plugs. Application and ID
19 - Spark plug - connector with ignition cable and suppressor
- 4 - 6 Kohms
- Only remove and install spark plug connector using tool T10029