Operation CHARM: Car repair manuals for everyone.
Manuals through 2025 now available!

Our trusted friends have launched a new website named LEMON, which has newer manuals. It also contains all the CHARM manuals.

LEMON is the spiritual successor to CHARM, I recommend you try it!

Link: lemon-manuals.la or lemon-manuals.org.ua

(Some people have issue connecting. LEMON is investigating. For now, use Firefox or change your DNS server)

Or, hide this message: temporarily or permanently

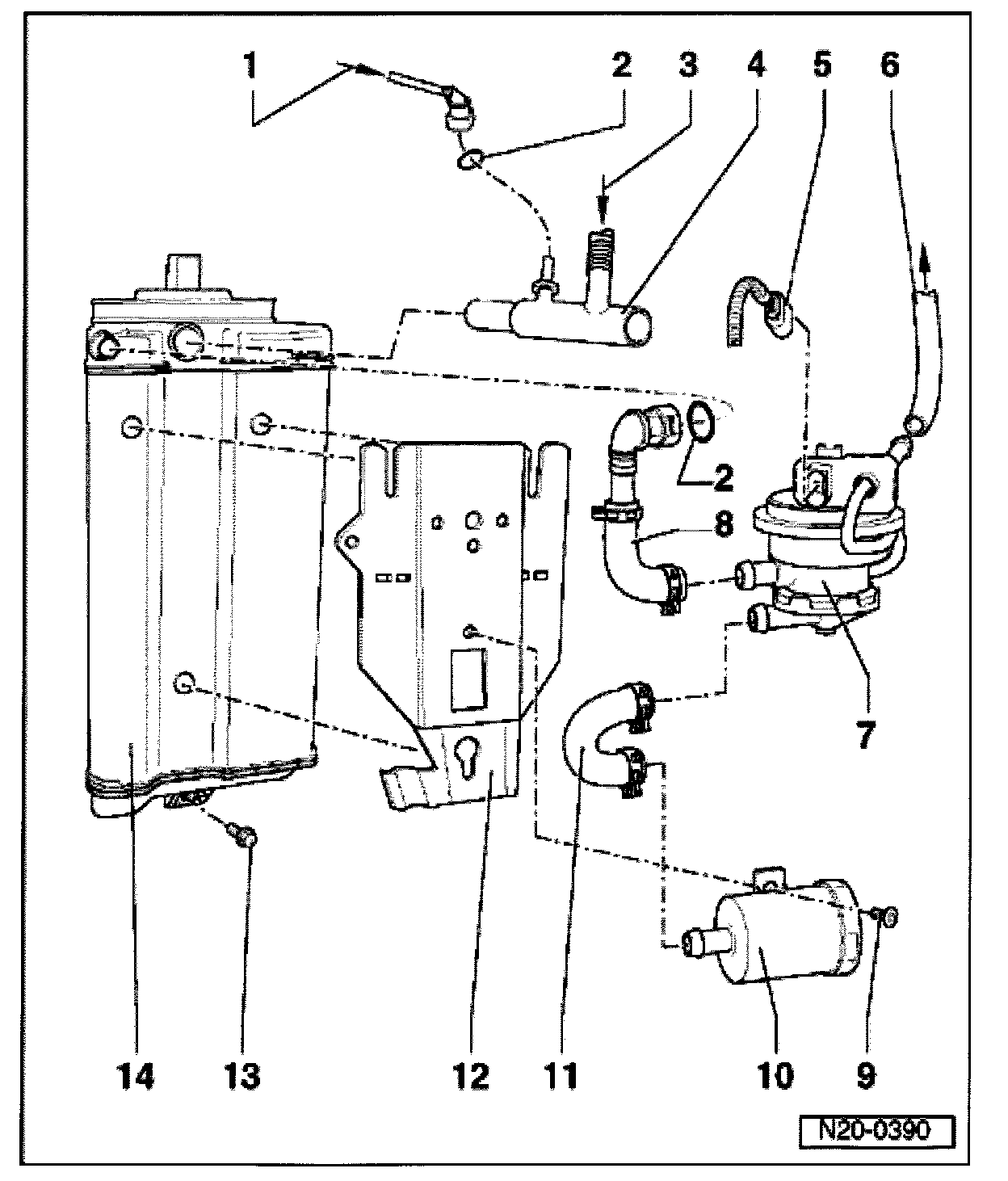
Evaporative Emissions System: Service and Repair









NOTE:
- Components marked with an * are checked by the On Board Diagnostic (OBD):
- Components marked with ** are checked by the Output Diagnostic Test Mode:


1 - From Evaporative Emission (EVAP) Canister Purge Regulator Valve -N80- */**
2 - Seal
- Replace if damaged
3 - Vent pipe
4 - Connection piece
5 - Connector
- Spin
6 - Vacuum pipe
- for throttle valve control module, item. 5
7 - Fuel system diagnostic pump (V144) */**
- In rear right wheel housing under the wheel housing liner
- Checking
8 - Connecting hose
- Pressure side
9 - 3 Nm
10 - Air cleaner for diagnostic pump
11 - Connecting hose
- Suction side
12 - Retainer
13 - 10 Nm
14 - Activated charcoal filter
- In rear right wheel housing under the wheel housing liner