Operation CHARM: Car repair manuals for everyone.
Manuals through 2025 now available!

Our trusted friends have launched a new website named LEMON, which has newer manuals. It also contains all the CHARM manuals.

LEMON is the spiritual successor to CHARM, I recommend you try it!

Link: lemon-manuals.la or lemon-manuals.org.ua

(Some people have issue connecting. LEMON is investigating. For now, use Firefox or change your DNS server)

Or, hide this message: temporarily or permanently

Exhaust Gas Recirculation: Service and Repair




Exhaust Gas Recirculation (EGR) system, overview

Note:
^ The function/control of file Exhaust Gas Recirculation (EGR) system is managed by the Diesel direct injection system ECM -J248 via the EGR Vacuum Regulator solenoid valve -N18-.
^ The cone-shaped plunger in the mechanical EGR valve ensures that various cross sectional openings are possible at different plunger heights.
^ Every possible valve position is provided via pulsed control.
^ Always replace self-locking nuts.

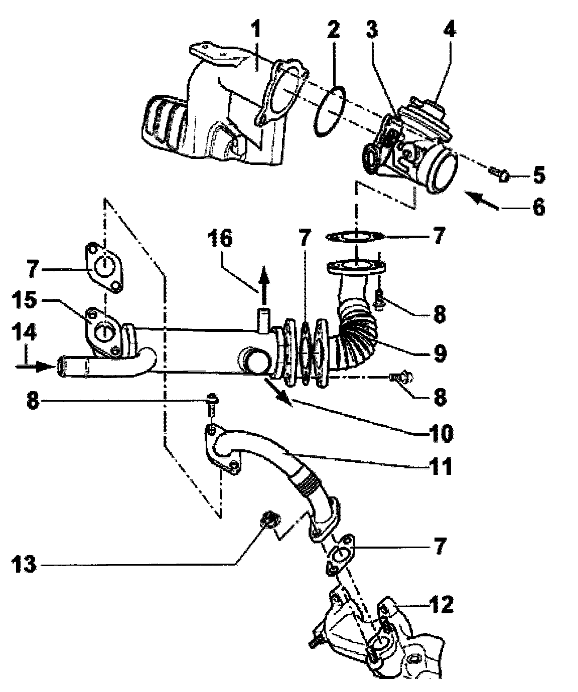
Exhaust gas recirculation system components, removing and installing





1. Intake manifold
2. O-ring
^ Always replace
3. Intake air connector
^ With EGR valve and control flap
4. Exhaust Gas Recirculation valve
^ Component of intake air connector
^ Can only be replaced with intake air connector
^ Checking Testing and Inspection
^ Control, checking:
5. 10 Nm (7 ft. lbs.)
6. From charge air cooler
7. Gasket
^ Always replace
8. 25 Nm (18 ft. lbs.)
9. Connecting pipe
10. To heater core
^ Coolant hose connections diagram
11. Connecting - pipe
12. Exhaust manifold
^ Part of turbocharger
^ Can only be replaced with turbocharger
13. 25 Nm (18 ft. lbs.)
14. From connector
^ Coolant hose connections diagram
15. EGR cooler
16. To coolant expansion tank and coolant center line
^ Coolant hose connections diagram