Operation CHARM: Car repair manuals for everyone.
Manuals through 2025 now available!

Our trusted friends have launched a new website named LEMON, which has newer manuals. It also contains all the CHARM manuals.

LEMON is the spiritual successor to CHARM, I recommend you try it!

Link: lemon-manuals.la or lemon-manuals.org.ua

(Some people have issue connecting. LEMON is investigating. For now, use Firefox or change your DNS server)

Or, hide this message: temporarily or permanently

Air Flow Meter/Sensor: Service and Repair




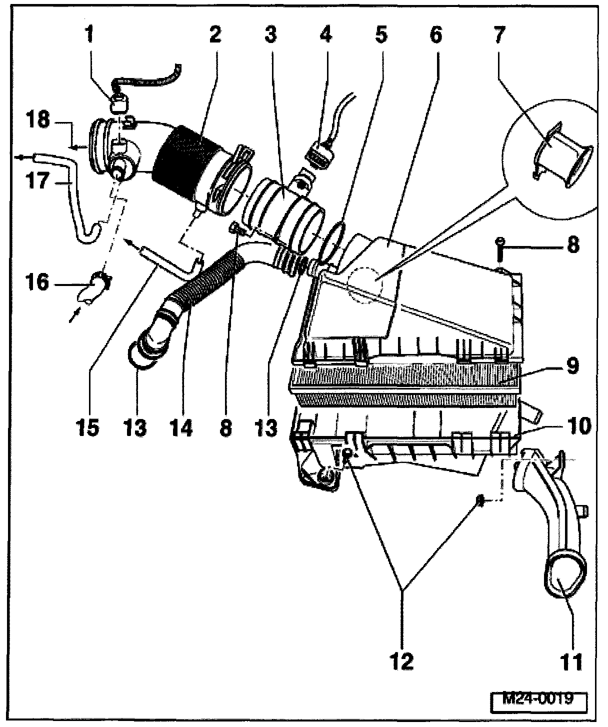
Air Cleaner:






3 - Mass Air Flow (MAF) sensor -G70-* with Intake Air Temperature (IAT) sensor -G42-*
- Checking -G70- Testing and Inspection
- Checking -G42- Testing and Inspection
- Sensor and harness connector terminals are gold plated