Operation CHARM: Car repair manuals for everyone.
Manuals through 2025 now available!

Our trusted friends have launched a new website named LEMON, which has newer manuals. It also contains all the CHARM manuals.

LEMON is the spiritual successor to CHARM, I recommend you try it!

Link: lemon-manuals.la or lemon-manuals.org.ua

(Some people have issue connecting. LEMON is investigating. For now, use Firefox or change your DNS server)

Or, hide this message: temporarily or permanently

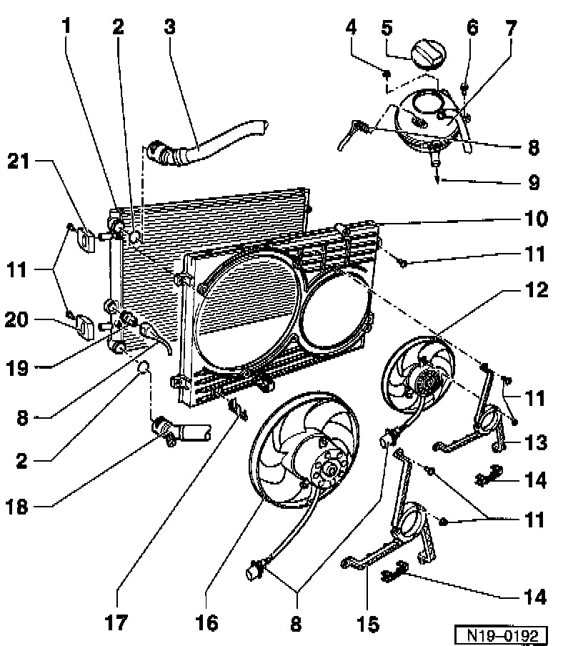
System Diagram



Cooling system components, replacement w/ related components




Body Side

1. Radiator
- After replacing, replace entire amount of coolant

2. O-ring

3. Upper coolant hose
- Secured to radiator with a retaining clip

4. 4 Nm

5. Cap
- Check using cooling system V.A.G 1274 and adapter V.A.G 1274/9
- Pressure release valve must open at a pressure of 1.4 to 1.6 bar.

6. 2 Nm

7. Expansion tank
- Perform cooling system leakage test with cooling system leakage test with cooling system tester V.A.G 1274 and adapter V.A.G 1274/8
- Test pressure 1.4 to 1.6 bar.

8. Connector

9. To coolant pipe

10. Air schroud

11. 10 Nm

12. Right coolant fan -V35-
- Only vehicles with optional equipment

13. Fan Ring
- For right cooling fan -V35-

14. Retaining clip
- Check for secure seat

15. Fan ring

16. Cooling Fan -V7-

17. Bracket
- For fan connector

18. Lower coolant hose
- Secured to radiator with a retaining clip

19. Coolant fan control (FC) thermal switch -F18-, 35 Nm
- For electric fan
- Switch temperatures speed 1:
On: 92° to 97° C
Off 84° to 91° C
- Switch temperatures speed 2:
On: 99° to 105° C
Off: 91° to 98° C

20. Bracket
- For bottom of radiator

21. Bracket
- For upper radiator





Engine Side

1. Heater unit heat exchanger

2. Connector
- 4 pin
- Gold-plated contacts for the engine coolant temperature (ECT) sensor -G62-

3. Engine coolant temperature (ECT) sensor -G62-
- For engine control unit
- With engine coolant temperature sensor -G62-
- Gold-plated contacts for the engine coolant temperature (ECT) sensor -G62-

4. Connector
- Only for code AEG through model year 1999
- Only for vehicles equipped with air conditioning, otherwise a blind plug is installed

6. Coolant line
- Multiple versions

7. Retaining clip
- Check for secure seat

8. 10 Nm

9. To lower coolant expansion tank

10. To upper radiator

11. O-ring

12. Thermostat housing

13. To lower radiator

14. Oil cooler

15. 15 Nm

16. Coolant thermostat
- Checking: heat up thermostat in water
- Opening begins approximately 86°
Opening lift minimum 7 mm

17. Toothed belt
- Mark direction of rotation before removing
- Check for wear
- Do not kink

18. Coolant pump
- Check for ease of movement
- If damaged or leaking replace completely

19. Rear toothed belt cover

20. 20 Nm

21. Throttle valve control module
- Coolant heated
- Coolant hose connection diagram

22. To expansion tank at top
- Coolant hose connection diagram

23. O-ring
- Replaced if damaged