Operation CHARM: Car repair manuals for everyone.
Manuals through 2025 now available!

Our trusted friends have launched a new website named LEMON, which has newer manuals. It also contains all the CHARM manuals.

LEMON is the spiritual successor to CHARM, I recommend you try it!

Link: lemon-manuals.la or lemon-manuals.org.ua

(Some people have issue connecting. LEMON is investigating. For now, use Firefox or change your DNS server)

Or, hide this message: temporarily or permanently

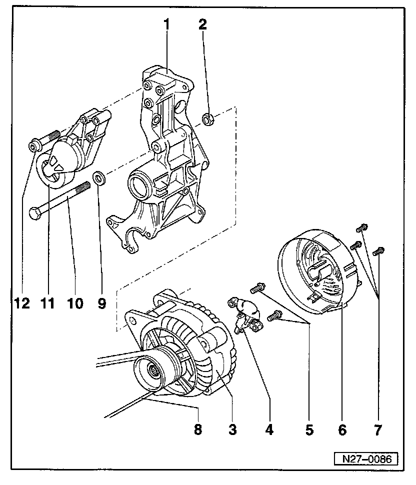
Generator Overview



CAUTION!
Before working on the electrical system:
- Determine the correct coding for the anti-theft radio
- Disconnect the battery Ground (GND) strap.






NOTE: Diesel engine with power-assisted steering and A/C compressor shown.

1 - Bracket
2 - Hex nut
- 30 Nm (22 ft lb)
3 - Generator
- Tightening torque of B+ wire to generator Generator, B+ Connection
4 - Voltage regulator
- Removing and installing see items 7, 6, 5 below
- Checking carbon brushes Testing and Inspection
5 - Phillips-head screw
- M4 x 25mm
6 - End cap
7 - Hex bolts
- M3 x 18mm
8 - Ribbed belt
- Removing and installing refer to "Ribbed Belt, Removing and Installing". Service and Repair
9 - Washer
10 - Hex bolt
- M8 x 85mm
- 25 Nm (18 ft lb)
11 - Tensioning roller
12 - Socket-head bolt
- M8 x 5mm
- 25 Nm (18 ft lb)