Operation CHARM: Car repair manuals for everyone.
Manuals through 2025 now available!

Our trusted friends have launched a new website named LEMON, which has newer manuals. It also contains all the CHARM manuals.

LEMON is the spiritual successor to CHARM, I recommend you try it!

Link: lemon-manuals.la or lemon-manuals.org.ua

(Some people have issue connecting. LEMON is investigating. For now, use Firefox or change your DNS server)

Or, hide this message: temporarily or permanently

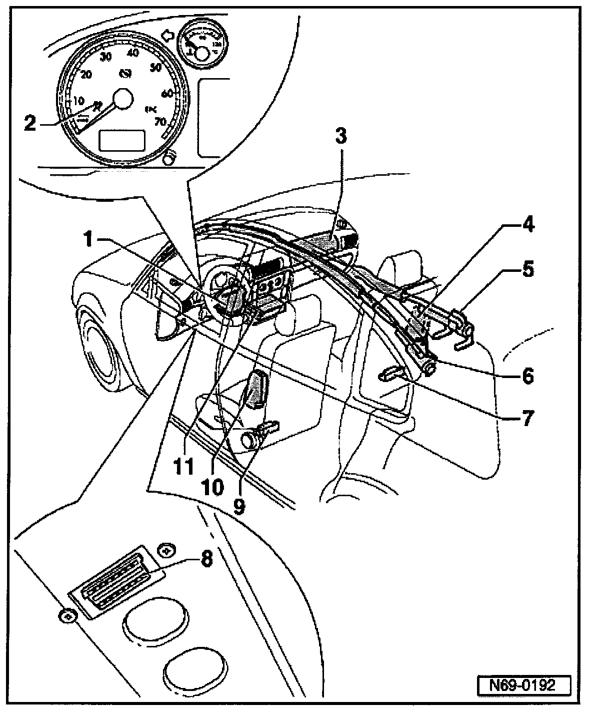
Component Locations, Overview 10.0




Component Locations, Overview 10.00







1 - Airbag unit driver's side
2 - Airbag warning lamp (K75)
3 - Airbag unit front passenger's side
4 - Side airbag, front passenger's side
5 - Driver's/front passenger's curtain protection
- Wagon
6 - Driver's/front passenger's curtain protection
- Sedan
7 - Sensor (side airbag, front passenger's side)
8 - Diagnostic socket
9 - Sensor (side airbag, driver's side)
10 - Side airbag, driver's side
11 - Airbag control unit (J 234)