Operation CHARM: Car repair manuals for everyone.
Manuals through 2025 now available!

Our trusted friends have launched a new website named LEMON, which has newer manuals. It also contains all the CHARM manuals.

LEMON is the spiritual successor to CHARM, I recommend you try it!

Link: lemon-manuals.la or lemon-manuals.org.ua

(Some people have issue connecting. LEMON is investigating. For now, use Firefox or change your DNS server)

Or, hide this message: temporarily or permanently

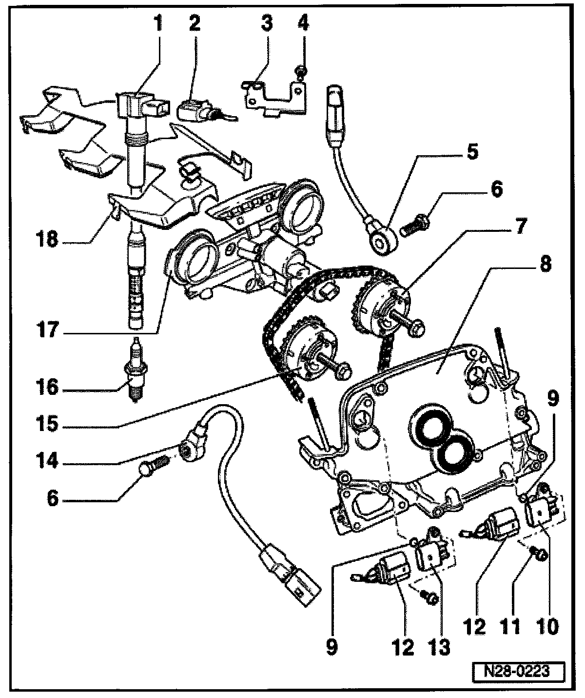
Ignition System Components, Removing and Installing




Ignition System Components, Removing and Installing







1 - Ignition coil with power output stage (-N70-, -N127-, -N291-, -N292-, -N323- and -N324-)
- Use T10094 removal tool to remove
2 - Connector
- 4 pin
3 - Bracket
- For harness connector of Knock Sensor (KS) 1 -G61-
4 - 10 Nm
5 - Knock Sensor (KS) 1 (G61)*
- Terminals of sensor and connector are gold-plated
- Installation location: Cylinder block, exhaust side
6 - 20 Nm
- Tightening torque affects function of Knock Sensor (KS)
7 - Exhaust camshaft adjuster
- With sensor wheel for Camshaft Position (CMP) sensor 2 -G163-
- If camshaft adjuster has been removed, check timing after installation:
8 - Cover piece
9 - Seal
- Always replace
10 - Camshaft Position (CMP) sensor (G163)*
- For exhaust camshaft
- Terminals of sensor and connector are gold-plated
11 - 10 Nm
12 - Connector
- black, 3-pin
- Terminals of sensor and connector are gold-plated
13 - Camshaft Position (CMP) sensor (G40)*
- for intake camshaft
- Terminals of sensor and connector are gold-plated
14 - Knock Sensor (KS) 2 (G66)*
- Terminals from sensor are gold-plated
- Installation location: Cylinder block, intake side
15 - Intake- crankshaft adjuster
- With sensor wheel for Camshaft Position (CMP) sensor 2 -G40-
- If camshaft adjuster has been removed, check timing after installation:
16 - Spark plug, 25 Nm
- Removing and installing with 3122 B spark plug wrench
17 - Control housing
- For camshaft adjustment
18 - Wire routing