Operation CHARM: Car repair manuals for everyone.
Manuals through 2025 now available!

Our trusted friends have launched a new website named LEMON, which has newer manuals. It also contains all the CHARM manuals.

LEMON is the spiritual successor to CHARM, I recommend you try it!

Link: lemon-manuals.la or lemon-manuals.org.ua

(Some people have issue connecting. LEMON is investigating. For now, use Firefox or change your DNS server)

Or, hide this message: temporarily or permanently

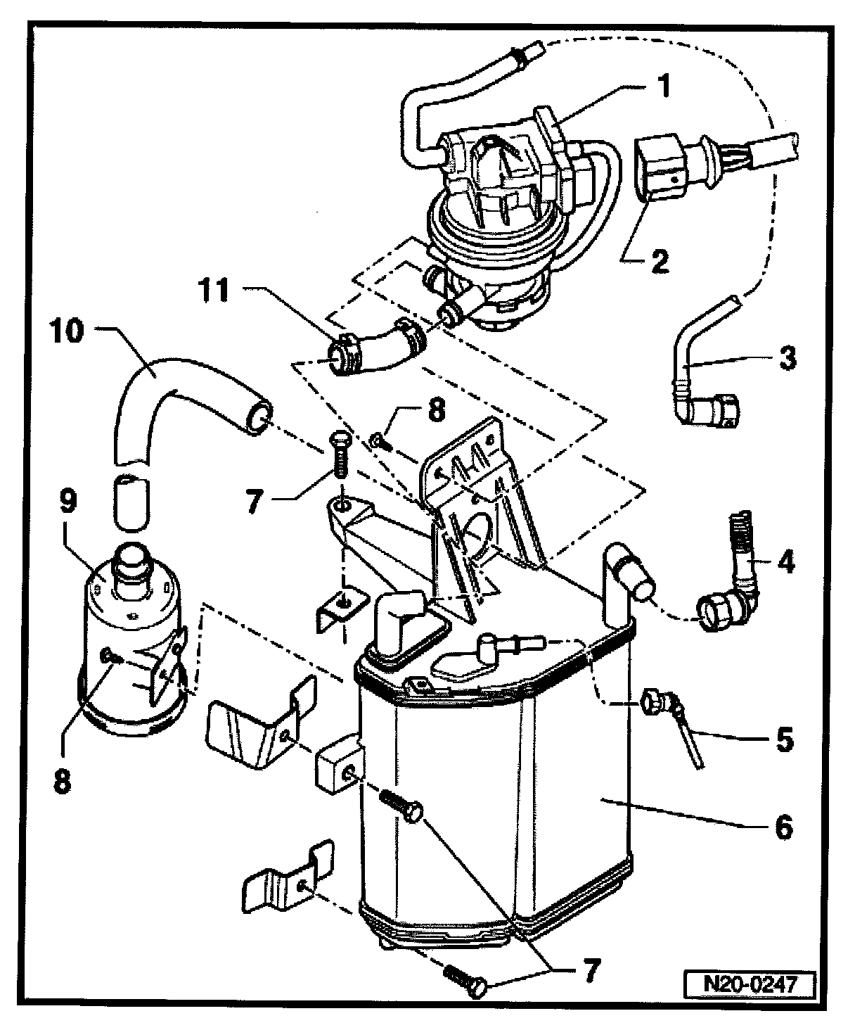
Emission Control Systems: Locations




Evaporative (EVAP) Emissions System Components


NOTE:
- Components marked with an * are checked by the On Board Diagnostic (OBD).
- Components marked with ** are checked by the Output Diagnostic Test Mode (DTM).


Component Overview:






1 - 2Leak Detection Pump (LDP) V144
- At EVAP canister
- In rear left wheel housing below wheel housing liner
3 - 3-pin harness connector
- Black
4 - Vacuum line
- Press together at front to release
5 - Vent line
- Black
- With O-Ring. Replace if damaged
- Check for tight fit
- Press release tabs on connector to remove from flange
6 - Vent line
- White
- Check for tight fit
- Press release tabs on connector to remove from flange
7 - Evaporative Emissions (EVAP) canister
- In right rear wheel housing under wheel housing liner
- Mounted on body
8 - 10 Nm (7 ft lb)
9 - 3 Nm (2 ft lb)
10 - Air filter
- For Leak Detection Pump
11 - Suction hose
- Check for tight fit
12 - Pressure hose
- Check for tight fit