Operation CHARM: Car repair manuals for everyone.
Manuals through 2025 now available!

Our trusted friends have launched a new website named LEMON, which has newer manuals. It also contains all the CHARM manuals.

LEMON is the spiritual successor to CHARM, I recommend you try it!

Link: lemon-manuals.la or lemon-manuals.org.ua

(Some people have issue connecting. LEMON is investigating. For now, use Firefox or change your DNS server)

Or, hide this message: temporarily or permanently

Models With 16 Inch Wheels







Component Notes and Information

NOTE:
^ During service procedures, refer to the illustration above and the information below
^ After servicing calipers, depress brake pedal firmly several times with vehicle stationary so that the brake pads are properly seated in their normal operating position.
^ To remove brake fluid from the reservoir use a bleeder bottle which is used only for brake fluid

WARNING: Brake fluid is poisonous.

1 Hex bolt
- Tighten to: 150 Nm (111 ft lb) and turn 90° further
- Always replace each time after removing
2 Hex socket head bolt
- Tighten to: 10 Nm (7 ft lb)
3 Brake rotor
- Brake rotor thickness: 26 mm
- Wear limit: 22 mm
- When worn always replace on both sides.
- Never remove brake rotors from hub by force.
If necessary use penetrating fluid, otherwise brake rotors can be damaged.
4 Brake pads
- Always replace on both sides
- With wear indicator: Warning lamp lights up on instrument cluster when wear limit is reached (limit: 2 to 3 mm)
- Pad thickness when new: 13.5 mm
- Checking thickness refer to Testing and Inspection.
- Wear limit: 8 mm (including backing plate)
- Removing and installing refer to procedures below
- Brake pad with retainer spring seats against piston
- Brake pad with adhesive foil on backing plate goes on outer side
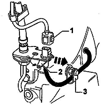
5 Connector
- Remove from bracket (item 12) when changing pads
6 Retaining spring
- With additional damper plate
- Insert in both brake caliper, housing holes
7 Brake carrier
- Supplied as replacement part assembled with grease on guide pins
- If protective caps are damaged use repair kit
- Use grease packet supplied in repair kit to lubricate guide pins
8 Brake caliper
- Removing and installing refer to Replacement. Service and Repair
9 Guide pins
- Tighten to: 25 Nm (18 ft lb)
- Removing and installing refer to Replacement. Service and Repair
10 Protective cap
11 Brake line with union connection
12 Bracket
13 Brake hose
14 Hex bolt
- Tighten to: 10 Nm (7 ft lb)
15 Hex bolt
- Tighten to: 280 Nm (207 ft lb)
16 Drive shaft With impulse rotor for speed sensor
17 Wheel bearing housing
18 ABS speed sensor
- Before installing sensor, clean sensor mounting hole inner surface and coat with lubricant G 000 650
19 Bracket
20 Hex socket head bolt
- Tighten to: 10 Nm (7 ft lb)
21 Splash plate
22 Hex bolt
- Tighten to: 8 Nm (70 inch lb)

Removal

NOTE: If reusing brake pads mark and return to same location.
- Remove wheels.





- Remove protective caps (arrows).





- Unhook brake pad retaining spring from brake caliper housing and remove.

NOTE: Release retaining spring from housing retaining holes (arrow) by pushing in direction of arrow (arrow embossed on retaining spring) and tilting to remove.





- Separate connector -1- for brake pad wear indicator.
- Pry locking tab -2- on connector lower part loose and then rotate 90°.
- Pull connector lower part out of bracket and unclip wire from protective cap -3- for bleed screw.





- Remove both guide pins from brake caliper.
- Remove brake caliper housing and lay to one side so that weight of caliper does not stress or damage brake hose.
- Remove brake pads from brake caliper housing or from brake carrier.
- Clean brake caliper housing, especially surface for brake pad adhesion as this must be free of grease and adhesive remains.


Installation

WARNING: Brake fluid is poisonous.





NOTE:
^ Before inserting new brake pads, press piston back into the cylinder with a piston resetting tool.
^ Before. pressing the piston back, remove some brake fluid from the reservoir with a bleeder bottle. Otherwise, particularly if the reservoir has been topped up, fluid will overflow and cause damage.

- Insert brake pad with retaining spring in brake caliper housing.
- Install outer brake pad with wear indicator in brake carrier.
- Bolt brake caliper housing with both guide pins to brake carrier and torque bolts to 25 Nm (18 ft lb).
- Insert brake wear indicator lower connector into bracket on brake caliper.
- Install both protective caps.





- Insert one spring arm under brake carrier and insert one tab in housing retaining hole (arrow A).
- Tension second spring arm under brake carrier and insert second tab into housing retaining hole (arrow B).

NOTE:
^ When inserting the retaining spring, do not damage or displace the backing plate.
^ When inserting the outer brake pad, make sure that it does not stick to the brake caliper housing before it is in the correct installation position.
^ Do not damage the adhesive surface.
^ After installing a new brake pad, depress the brake pedal firmly two or three times and hold the brake pedal fully depressed for 5 to 10 seconds so that the outer pad is firmly bonded to the brake caliper housing. This ensures outer pad noise-free braking.