Operation CHARM: Car repair manuals for everyone.
Manuals through 2025 now available!

Our trusted friends have launched a new website named LEMON, which has newer manuals. It also contains all the CHARM manuals.

LEMON is the spiritual successor to CHARM, I recommend you try it!

Link: lemon-manuals.la or lemon-manuals.org.ua

(Some people have issue connecting. LEMON is investigating. For now, use Firefox or change your DNS server)

Or, hide this message: temporarily or permanently

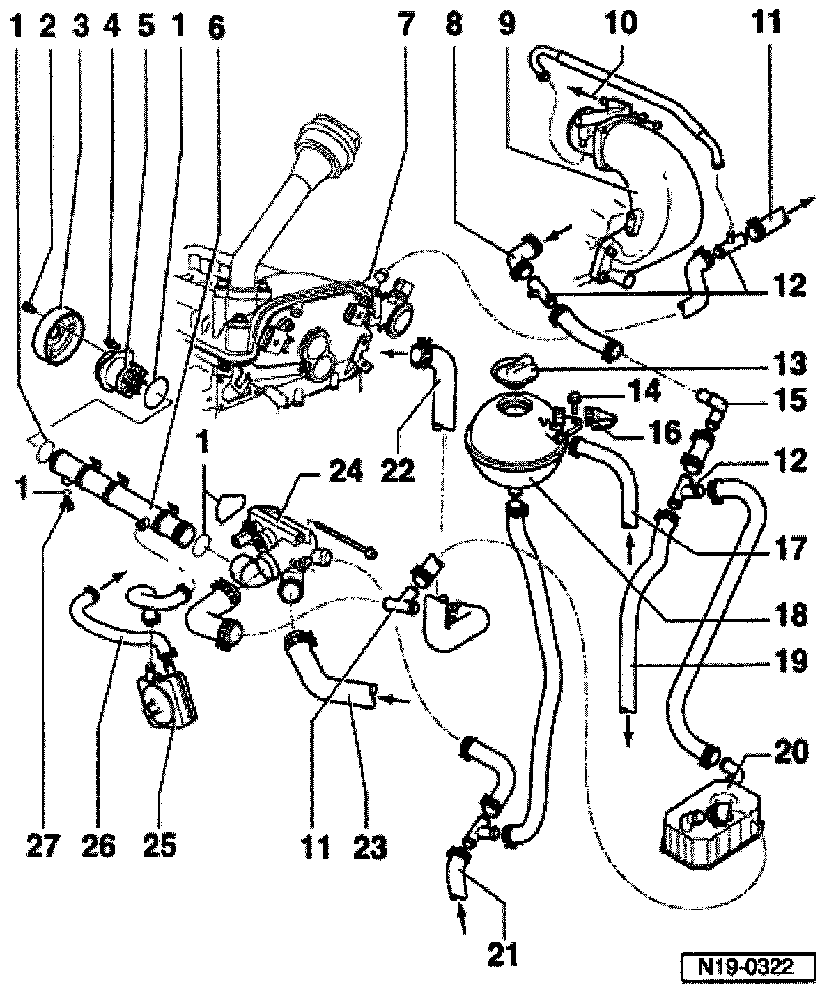
Engine Side Overview



Cooling system components






1. O-ring
- Always replace O-ring
2. Bolt: Tighten to 25 Nm
- to remove and tighten, retain belt pulley through holes using drift
3 Belt pulley
- for coolant pump
4. Bolt: Tighten to 20 Nm
5. Coolant pump
- Check for ease of movement
6. Coolant pipe
7. Connecting piece
- at cylinder head
8. From heater core
9. Connecting piece with throttle valve control module
- Heated by coolant
10 to expansion tank
11 To heater core
12 T connector
13. Cap
- Check using VAG1 274 cooling system tester with VAG 1 274/4 adapter
- Test pressure 1.2 to 1.5 bar positive pressure
14 Bolt: Tighten to 10 Nm
15. Elbow
16. Connector
- black, 2-pin
17. Coolant overflow hose
18. Expansion tank
19. Coolant hose
20. ATF cooler
21. Coolant hose
22. Upper coolant hose
- To top of radiator
23. Lower coolant hose
- From bottom of radiator
24. Thermostat housing
25. Oil cooler
26. to engine block
27. Drain plug, Tighten to 10 Nm