Operation CHARM: Car repair manuals for everyone.
Manuals through 2025 now available!

Our trusted friends have launched a new website named LEMON, which has newer manuals. It also contains all the CHARM manuals.

LEMON is the spiritual successor to CHARM, I recommend you try it!

Link: lemon-manuals.la or lemon-manuals.org.ua

(Some people have issue connecting. LEMON is investigating. For now, use Firefox or change your DNS server)

Or, hide this message: temporarily or permanently

Engine Lubrication: Service and Repair



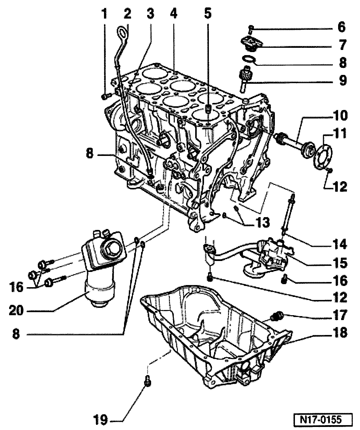
Lubrication system components, removing and installing

Notes:
- If large of metal particles or abraded material (caused, for example, by partial seizure of the crankshaft or connecting rod bearings) are found in the engine oil, the oil passages must be cleaned thoroughly, and oil injection jets, oil check valve, oil cooler, oil filter insert and oil cooler must be replaced in order to prevent further damage from re-occurring.
- Oil level must not exceed max. marking danger of catalytic converter damage!

Oil filling quantities: with oil filter 5.6 L

Engine oil specifications
Long Life-engine oil
New VW-norm (especially designed, aging resistant) Primary filling: VW-norm: 503 00 (VW TL 52 173)
Note: The engine is factory filled with engine oil according to VW-norm 503 00. This engine oil is adapted for long service intervals (SI). However the engine oils mentioned below can also be used.

Use engine oils conforming to VW specifications 500 DO, 501 01 or 502 00 Only in exceptional cases: Multi-purpose or single purpose oil according to ACEA A2/ A3.






1. Bolt: Tighten to 5 Nm
- Secured at intake manifold
2. Dipstick
- Oil level must not exceed max. marking!
3. Guide tube
- for oil dipstick
- secured to intake manifold with a bolt
4. Cylinder block
- Crankshaft, removing and installing. Service and Repair
5. Oil check valve, 5 Nm
- Note installed position
- Clean if very dirty
6. Bolt: Tighten to 10 Nm
7. Cover for oil pump drive
8. O-ring
- Always replace O-ring
- Oil before installing
9. Oil pump drive
10. Intermediate shaft
11. Thrust washer
12. Bolt: Tighten to 10 Nm
- insert with safeguard material "D6"
13. Oil injection jet
- for crankshaft bearing 2 to 7
- to cool pistons
- Opening pressure: 2.0 bar
14. Input shaft
- For operating oil pump
15. Oil pump
- Coat oil pressure tube at cylinder block and oil pump housing with sealant AMV 188 001 02
16. Bolt: Tighten to 25 Nm
17. Oil drain plug: Tighten to 30 Nm
- If drain plug seal washer is leaking, cut open seal and replace seal
18. Oil pan
19. Bolt: Tighten to 12 Nm
20. Oil filter housing