Operation CHARM: Car repair manuals for everyone.
Manuals through 2025 now available!

Our trusted friends have launched a new website named LEMON, which has newer manuals. It also contains all the CHARM manuals.

LEMON is the spiritual successor to CHARM, I recommend you try it!

Link: lemon-manuals.la or lemon-manuals.org.ua

(Some people have issue connecting. LEMON is investigating. For now, use Firefox or change your DNS server)

Or, hide this message: temporarily or permanently

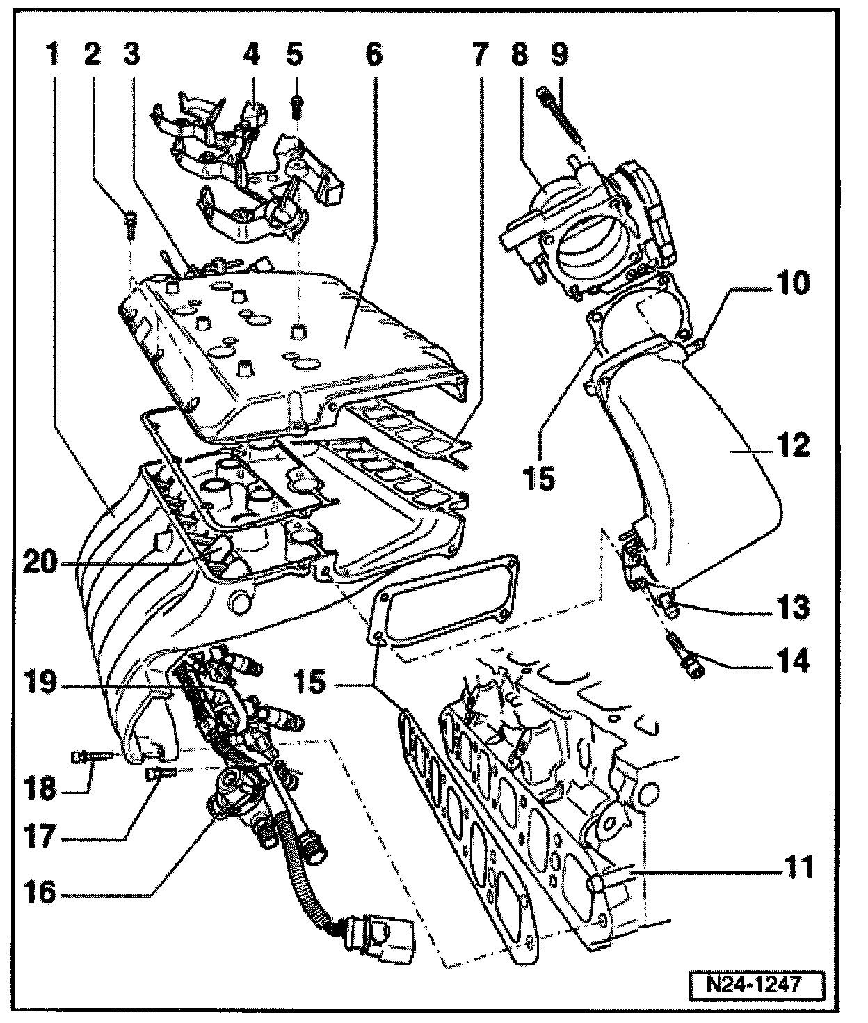
Intake Manifold: Service and Repair




Intake Manifold, Disassembling And Assembling







1 - Intake manifold
2 - 10 Nm
3 - Vacuum setting element

- for intake manifold change-over
4 - Wire routing
5 - 10 Nm
6 - Intake manifold cover
7 - Gasket

- Note installed position
- Always replace
8 - Throttle Valve Control Module -J338-*
- When replacing, adapt Engine Control Module (ECM)
- Terminals from connector are gold-plated
- Heated by coolant
9 - 10 Nm
10 - Vacuum pressure connection

- To Evaporative Emission (EVAP) canister purge regulator valve
11 - Vacuum pressure connection
- For air cleaning fuel injectors
12 - Intake manifold sleeve
13 - Vacuum pressure connection

- For brake booster
14 - 25 Nm
15 - Gasket

- Always replace
16 - Fuel pressure regulator
17 - 10 Nm
18 - 15 Nm
19 - Fuel rail
20 - Change-over flaps