Operation CHARM: Car repair manuals for everyone.
Manuals through 2025 now available!

Our trusted friends have launched a new website named LEMON, which has newer manuals. It also contains all the CHARM manuals.

LEMON is the spiritual successor to CHARM, I recommend you try it!

Link: lemon-manuals.la or lemon-manuals.org.ua

(Some people have issue connecting. LEMON is investigating. For now, use Firefox or change your DNS server)

Or, hide this message: temporarily or permanently

Power Steering Line/Hose: Service and Repair


Power steering pump, refill container and hydraulic lines, assembly overview
Servicing the vane pump is not planned. In case of a complaint, determine the cause via the pressure test. If there is a malfunction in the component, replace the vane pump.

Notes:
^ Replacement pumps from the distribution center do not contain any fluid. Before installing, fill pump with G 000 200 hydraulic oil and turn pump by hand. Otherwise, the pump may be noisy when operating or may even be damaged.
^ Oil type: G 002 000 hydraulic fluid
^ Oil capacity in system: approximately 1 L
^ Do not reuse fluid you have drained.
^ Always replace seals

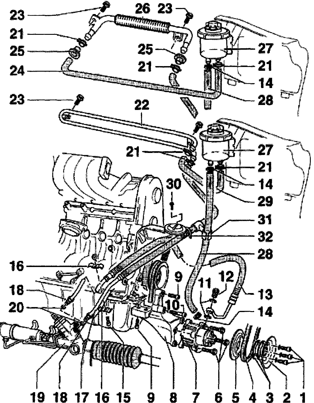
Vane pump, hydraulic lines and refill tank (vehicles with 4 and 6-cyl. engine), assembly overview





Notes:
1 - Socket head bolt, 20 Nm
2 - Front half of v-belt pulley
3 - Shims
4 - V-belt
^ Allocation
5 - Rear half of V-belt pulley
6 - Hex bolt, 20 Nm
7 - power steering pump
^ Checking delivery pressure
^ fill with oil before installing
8 - Bracket
9 - Bolt 20 Nm
10 - Bolt 20 Nm
11 - Seal
^ Always replace
12 - Banjo fitting 40 Nm
13 - Pressurized - line
^ With check valve
^ Watch for kink free hose routing
14 - Screw clamp 4 Nm
15 - Bolt 10 Nm
^ If bolting is performed from the top during production, bolting can take place from the bottom during repairs
16 - Clamp
^ Upper and lower part
^ Install with a distance of 55 mm from hose end (pressure hose)
17 - Return line
^ Watch for kink free hose routing
^ Route at a distance of 20 mm to subframe
^ Connection marking points upward
18 - 30 Nm
19 - Left Hand Drive (LHD) steering gear
^ Right Hand Drive (RHD) steering gear go to Fig. 5
20 - Sealing ring
^ Always replace
21 - Spring clip
22 - Cooling line
^ Long front of vehicle
23 - Hex bolt, 8 Nm
24 - Return hose
^ Watch for kink free hose routing
25 - Grommet
26 - Cooling line
^ short front of vehicle
27 - Refill tank
^ Oil level: between Min. and Max. marking
28 - Intake hose
^ Watch for kink free hose routing
^ Installation position go to Fig. 4
29 - Return hose
^ Watch for kink free hose routing
^ Connection marking points upward
30 - Hex bolt, 10 Nm
31 - Wire bracket
^ Installation position for 4- and 6- cyl. engine are different
^ Set onto color marking
32 - Bracket
^ Installation position go to Fig. 3

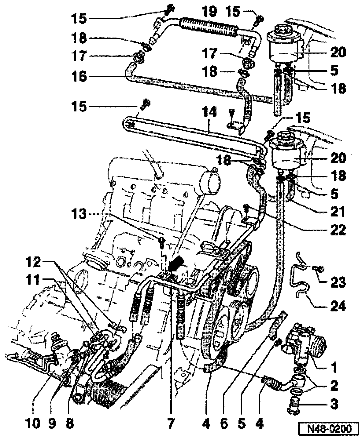
Vane pump, hydraulic lines and refill tank (vehicles with 5-cyl. engine), assembly overview





Note: Installation overview for vehicles with 111 kW engine go to Fig. 9.

1 - power steering pump
^ Checking delivery pressure
^ Fill with oil before installing
2 - Seal
^ 3 - Banjo fitting 40 Nm
4 - Pressurized - line
^ With check valve
^ Assembly note go to Fig. 6
5 - Screw clamp
^ 4 Nm
6 - Intake hose
^ Watch for kink free hose routing
7 - Return line
^ Watch for kink free hose routing
8 - 30 Nm
9 - Sealing ring
^ Always replace
10 - Left Hand Drive (LHD) steering gear
^ Right Hand Drive (RHD) steering gear go to Fig. 8
11 - Bolt 10 Nm
^ If bolting is performed from the top during production, bolting can take place from the bottom during repairs
12 - Clamp
^ Upper and lower part
^ Installation position go to Fig. 7
13 - Hex bolt, 20 Nm
^ Installation position for automatic transmission = arrow
14 - Cooling line
^ Long front of vehicle go to Fig. 1
15 - Hex bolt, 8 Nm
16 - Return hose
^ Watch for kink free hose routing go to Fig. 2
17 - Grommet
18 - Spring clip
19 - Cooling line
^ Short front of vehicle
20 - Refill tank
^ Oil level: between Min. and Max. marking
21 - Return hose
^ Watch for kink free hose routing
22 - Hex bolt, 10 Nm
23 - Hex bolt, 8 Nm
24 - Bracket
^ Note different versions
^ Installation position go to Fig. 1





Fig. 1 Return line to cooling pipe
1 - Return line
2 - Spring clip
3 - Grommet
4 - Bolt 8 Nm
5 - Cooling line
6 - Return hose
7 - Bracket (different versions)
8 - Intake hose





Fig. 2 Hose routing of return hose (4-cyl. engines)
1 - Return line
2 - Screw clamp
3 - Intake hose
4 - Hose bracket
5 - Wire bracket
6 - Spring clip
7 - Return hose





Fig. 3 Installation position of bracket (4- and 6-cyl. engines)

Bracket (arrow 1) must contact engine support (arrow 3) when tightening hex bolt (arrow 2).





Fig. 4 Installation position of suction hose (4- and 6-cyl. engines)

Color marking at hose (arrow) must match the form separation of the connection.





Fig. 5 Right Hand Drive (RHD) steering gear(4- and 6-cyl. engines)

1 - Right Hand Drive (RHD) steering gear
2 - Bolt 10 Nm
3 - 30 Nm





Fig. 6 Assembly note for pressure line (5-cyl. engines)

Note: Stop angle (arrow) must contact the vane pump housing when tightening the banjo bolt.





Fig. 7 Installation position of clamp (5-cyl. engines)

Note: Install lines parallel to edge of subframe.

Dimension -a- approximately 60 mm





Fig. 8 Right Hand Drive (RHD) steering gear (5-cyl. engines)
1 - Right Hand Drive (RHD) steering gear
2 - Bolt 10 Nm
3 - Bracket
4 - 30 Nm





Fig. 9 Assembly overview of pressure line and return line for vehicles with 5 cyl. -1- TDI engine 111 kW
1 - Cooling line
2 - Hose piece for return line
^ Installation position: Install with marking facing up
3 - Hose clamp
4 - Spring clip
5 - Bolt 10 Nm
6 - Engine support
7 - Bolt 17 Nm
8 - Pressure line with connection to vane pump
9 - Return line