Operation CHARM: Car repair manuals for everyone.
Manuals through 2025 now available!

Our trusted friends have launched a new website named LEMON, which has newer manuals. It also contains all the CHARM manuals.

LEMON is the spiritual successor to CHARM, I recommend you try it!

Link: lemon-manuals.la or lemon-manuals.org.ua

(Some people have issue connecting. LEMON is investigating. For now, use Firefox or change your DNS server)

Or, hide this message: temporarily or permanently

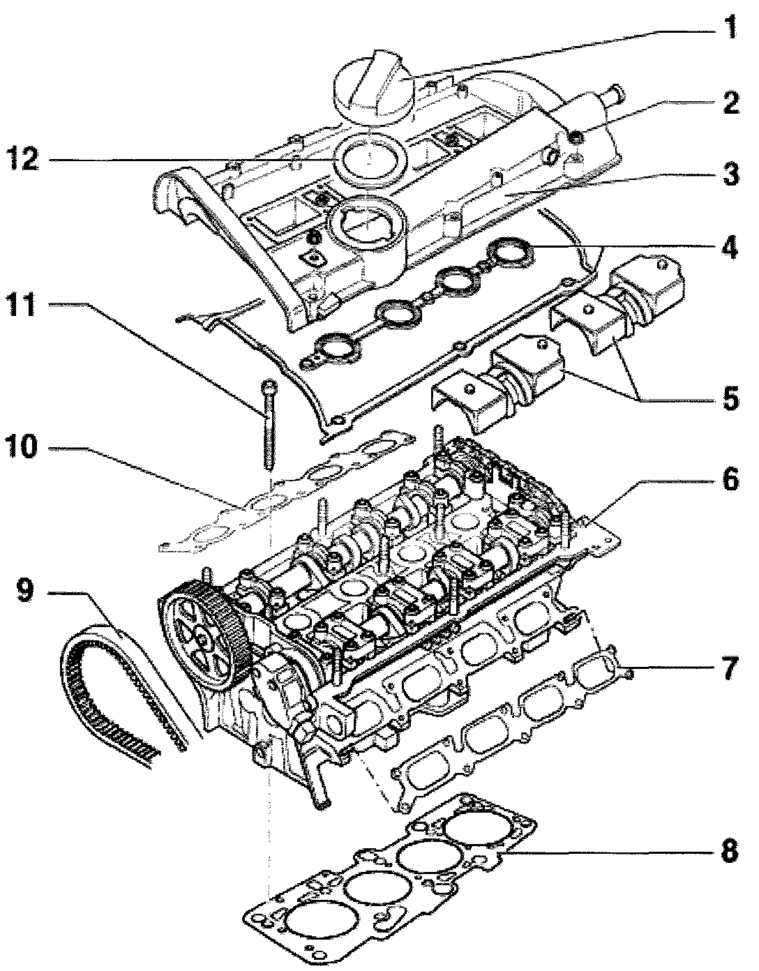
Cylinder Head Assembly


Cylinder head, removing and installing

Notes:
^ When installing an exchange cylinder head with installed camshaft, contact surfaces between the valve lifters and the cam must be oiled before installing the cylinder head cover.
^ The plastic packing pieces for protecting the open valves must not be removed until immediately before installing cylinder head.
^ If the cylinder head is replaced, all the coolant in the system must also be replaced.





1-Cap
2-10 Nm
3-Cylinder head cover
4-Cylinder head cover gasket
^ Replace if damaged
^ Before installing, coat transition points for bearing cap or camshaft adjuster chain tensioner to cylinder head with D 454 300 A2.
5-Oil deflector
^ Note installation position: Above inlet camshaft
6-Cylinder head
^ Check for distortion see Fig. 1
^ Refacing sealing surface
^ Removing and installing
^ After replacing replace the complete coolant
7-Intake manifold gasket
^ Replace
^ Note installation position
8-Cylinder head gasket
^ Replace
^ Metal gasket
^ If replaced replace the complete coolant
^ Note installation position: Identification: Part No. must be readable from inlet side
9-Toothed belt
^ Mark D.O.R. before removing
^ Check for wear
^ Do not kink
^ Removing, installing and tensioning
10-Exhaust manifold gasket
^ Replace
^ Note installed position
11-Cylinder head bolt
^ Replace
^ Removing and installing Polydrive cylinder head bolt with 3452
^ Sequence when loosening and tightening, Removing and installing cylinder head
12-Gasket
^ Replace if damaged





Fig. 1 Checking cylinder head for distortion

Special tools, workshop equipment, testers, measuring instruments and auxiliary items required
^ Straight edge
^ Feeler gauges

Max. permissible distortion: 0.1 mm