Operation CHARM: Car repair manuals for everyone.
Manuals through 2025 now available!

Our trusted friends have launched a new website named LEMON, which has newer manuals. It also contains all the CHARM manuals.

LEMON is the spiritual successor to CHARM, I recommend you try it!

Link: lemon-manuals.la or lemon-manuals.org.ua

(Some people have issue connecting. LEMON is investigating. For now, use Firefox or change your DNS server)

Or, hide this message: temporarily or permanently

Compressor HVAC: Service and Repair




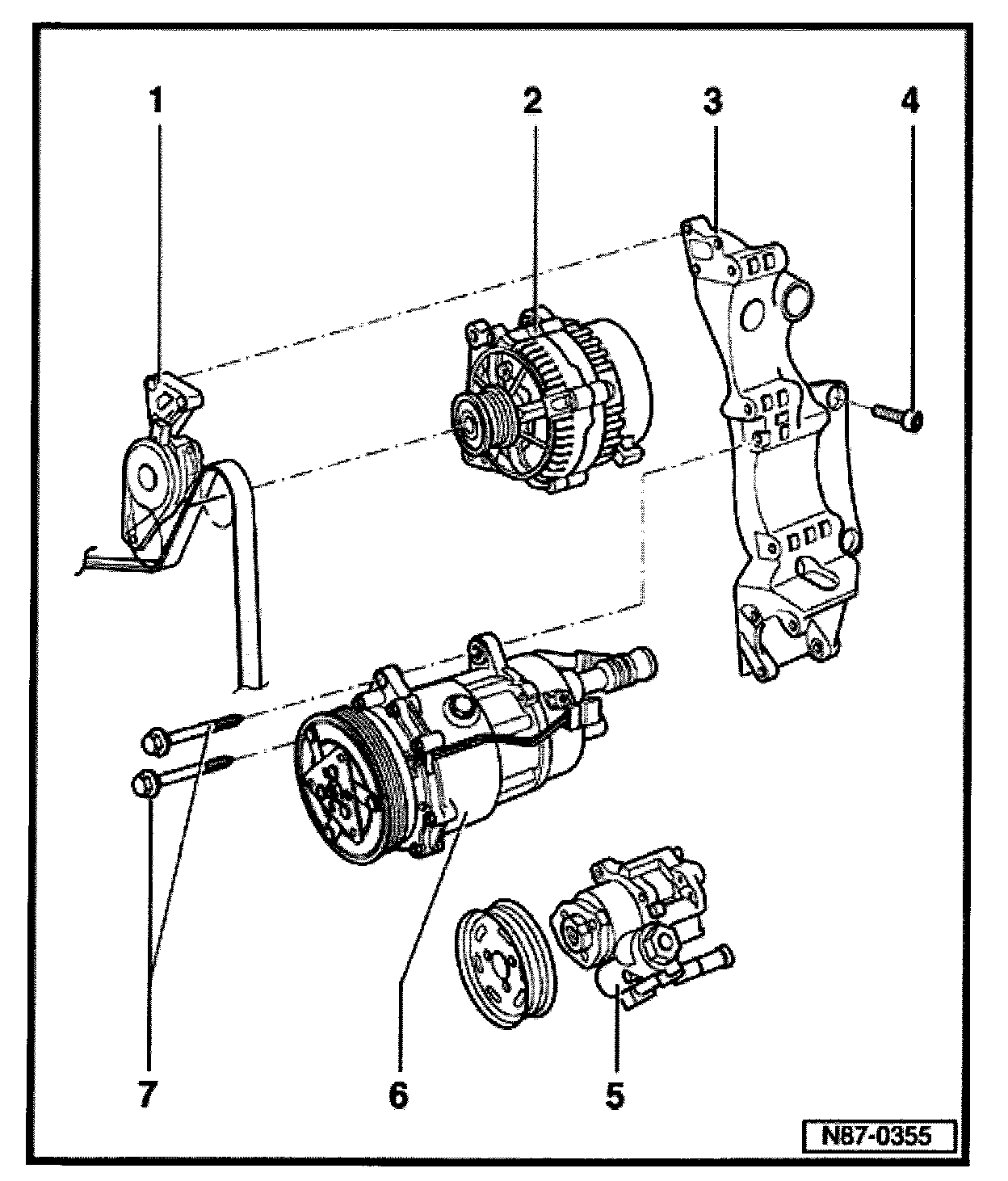
Compressor Bracket Removing And Installing







4-cylinder gasoline engine

Special tools and equipment required
- Torque wrench (5-50 Nm)


NOTE: The compressor bracket and related components can be removed and installed without discharging the refrigerant circuit.


1 - Ribbed belt tensioner
- Ribbed belt routing See Fig. 1
- Ribbed belt, removing:
2 - Generator
- Removing:
3 - Bracket for generator, compressor and power steering pump
- Removing:
- First remove generator and power steering pump.
- Remove bolts -7-
- Remove compressor from bracket and suspend with wire on body.
- Remove socket head bolts -4- (qty. 4)
- Remove bracket from engine block.
4 - Socket head bolt M10x55
- Qty. 4
- 50 Nm (37 ft lb)
5 - Power steering pump
- Removing:
6 - Compressor
- Manufacturer: Sanden, designation: SD7V16
- Manufacturer: Zexel, designation: DCW-17D
- With A/C clutch - N25-
7 - Bolt M10x112
- 45 Nm (33 ft lb)

Fig. 1 Ribbed belt routing







NOTE: Before removing ribbed belt, mark direction of rotation. When installing the belt ensure it is correctly seated in the pulley.