Operation CHARM: Car repair manuals for everyone.
Manuals through 2025 now available!

Our trusted friends have launched a new website named LEMON, which has newer manuals. It also contains all the CHARM manuals.

LEMON is the spiritual successor to CHARM, I recommend you try it!

Link: lemon-manuals.la or lemon-manuals.org.ua

(Some people have issue connecting. LEMON is investigating. For now, use Firefox or change your DNS server)

Or, hide this message: temporarily or permanently

Evaporative Emissions System: Service and Repair




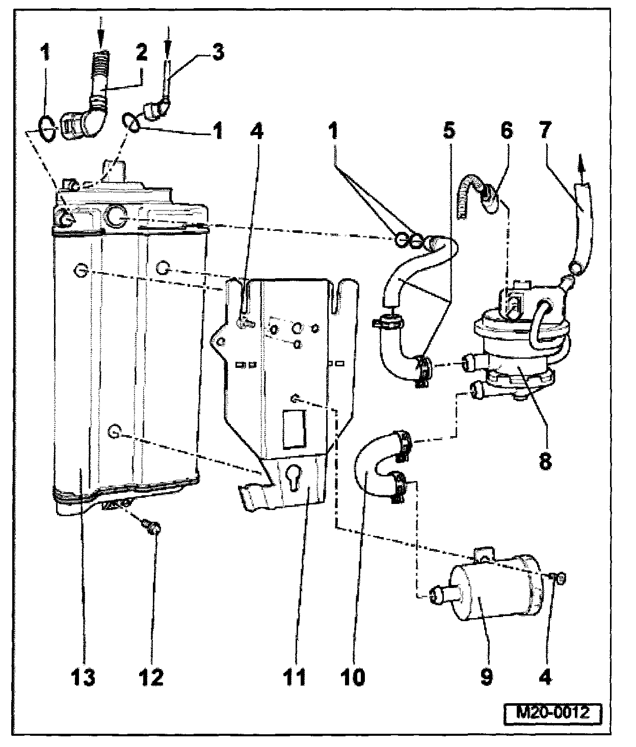
Evaporative (EVAP) Emissions System Components







1 - O-ring
- Replace if damaged
2 - Vent line
- Black
- Check for tight fit
- From vent hose on fuel filler neck (item 11)
- Press release tabs on connector to remove from flange
3 - Vent line
- White
- Check for tight fit
- From vent hose on fuel filler neck (item 7)
- Press release tabs on connector to remove from flange
4 - Mounting screw
5 - Pressure hose
- Check for tight fit
6 - 3-pin harness connector
- Black
7 - Vacuum line
- To intake manifold upper section (item 6)
8 - Leak Detection Pump (LDP) -V144-
- Checking
9 - Air filter
- For Leak Detection Pump
10 - Suction hose
- Check for tight fit
11 - Mounting plate
- Clipped onto evaporative (EVAP) emissions cannister
12 - 10 Nm(7 ft lb)
13 - Evaporative emissions (EVAP) canister
- In right rear wheel housing under wheel housing liner
- Mounted on body