Operation CHARM: Car repair manuals for everyone.
Manuals through 2025 now available!

Our trusted friends have launched a new website named LEMON, which has newer manuals. It also contains all the CHARM manuals.

LEMON is the spiritual successor to CHARM, I recommend you try it!

Link: lemon-manuals.la or lemon-manuals.org.ua

(Some people have issue connecting. LEMON is investigating. For now, use Firefox or change your DNS server)

Or, hide this message: temporarily or permanently

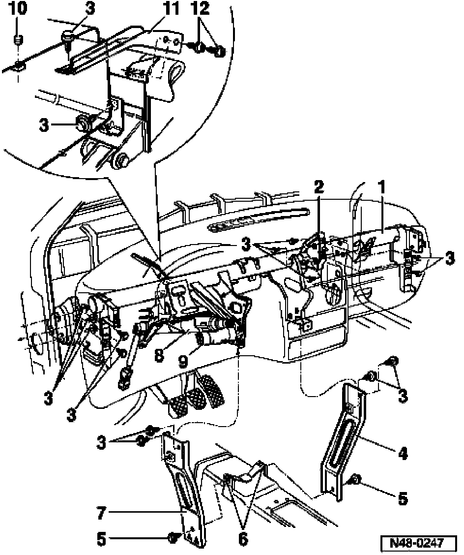
Cross Member For Steering Column, Assembly Overview


Cross member for steering column, assembly overview





1. Cross member for steering column
2. Adjustment bracket
3. Hex bolt, 25 Nm (18 ft. lbs.)
4. Strut, right
5. Hex bolt
6. Speed nut
7. Strut, left
8. Steering column
9. Steering lock housing
10. Plug
11. Bulkhead reinforcement
12. Multi-point socket head bolt, 10 Nm (89 inch lbs.)