Operation CHARM: Car repair manuals for everyone.
Manuals through 2025 now available!

Our trusted friends have launched a new website named LEMON, which has newer manuals. It also contains all the CHARM manuals.

LEMON is the spiritual successor to CHARM, I recommend you try it!

Link: lemon-manuals.la or lemon-manuals.org.ua

(Some people have issue connecting. LEMON is investigating. For now, use Firefox or change your DNS server)

Or, hide this message: temporarily or permanently

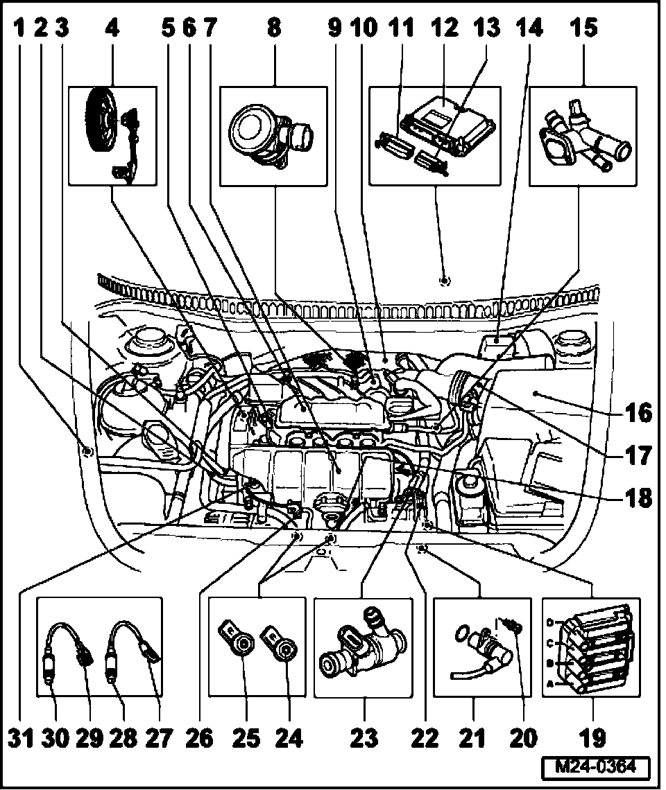
Computers and Control Systems: Locations



Overview Of Component Locations (Vehicles With Engine Code BDC)







The following components are not displayed in the installation overview:

Malfunction Indicator Lamp (MIL) -K83-*

Electronic Power Control (EPC) Warning Lamp -K132-*

Leak Detection Pump (LDP) -V144-*

- Under wheel housing liner in rear right wheel housing

Clutch vacuum vent valve switch -F36-*
- Component location: in left footwell

Throttle Position (TP) sensor -G79-*

The following components are displayed in the Component location overview:

1 Evaporative Emission (EVAP) Canister Purge Regulator Valve -N80-*
- Installation position: Arrow points in direction of flow
2 Return line
- secure with spring type clamps
3 Supply line
- secure with spring type clamps
4 Camshaft Position (CMP) sensor (G40)*
5 Intake manifold change-over valve -N156-*
6 Upper part of intake manifold
- Disassembling and assembling
7 Lower part of intake manifold
8 Combination valve
- For Secondary Air Injection (AIR) system
- To replace, remove warm air collector plate
9 Throttle valve control unit (J338)*
10 Positive Crankcase Ventilation (PCV) heating element -N79-
- For crankcase ventilation
11 Connector, 81-pin
- Switch ignition off before disconnecting or connecting connector
- disengage to pull off
12 Engine Control Module (ECM)*
- Component location: below inner plenum chamber cover, left, in passenger compartment
- Check voltage supply for Engine Control Module (ECM)
13 Connector, 40-pin
- Switch ignition off before disconnecting or connecting connector
- disengage to pull off
14 Protective housing for relay
Component location of:
- Secondary Air Injection (AIR) Pump Relay -J299-*, see Fig. 1
- Motronic Engine Control Module (ECM) Power Supply Relay -J271-
15 Engine Coolant Temperature (ECT) Sensor -G62-*
- green
- with Engine Coolant Temperature (ECT) Sensor (G2)
- If necessary, release pressure in cooling system before removing
16 Air filter housing
17 Mass Air Flow (MAF) sensor -G70-* with Intake Air Temperature (IAT) sensor (G42)*
18 3-pin harness connector
- for Engine Speed (RPM) Sensor -G28-
19 Ignition coil with power output stage (-N70-, -N127-, -N291-, -N292-)*
20 10 Nm
21 Engine speed sensor (G28)*
22 Secondary Air Injection (AIR) pump motor -V101-*
- Secondary Air Injection (AIR) system
23 Fuel injectors (-N30- through -N33-)*
24 Knock Sensor (KS) 2 (G66)*
25 Knock Sensor (KS) 1 (G61)*
26 Intake Manifold Tuning (IMT) Valve -2- -N261-*
27 4-pin harness connector
- brown
- Terminals 3 and 4 gold-plated
- For Heated Oxygen Sensor (HO2S) 2 behind Three Way Catalytic Converter (TWC) -G130- and Oxygen Sensor (O2S) Heater 1 -Z29-
- Component location: At right vehicle underside
28 Oxygen Sensor (O2S) Behind Three Way Catalytic Converter (TWC) -G130- bank 1*, 50 Nm
- Component location: In rear catalytic converter
- Only use "G 052 112 A3" to grease thread; do not let "G 052 112 A3" get onto slit of oxygen sensor
- Voltage supply of oxygen sensor heater via Fuel Pump (FP) Relay -J17-
- Check oxygen sensor heater for Oxygen Sensor (O2S) behind Three Way Catalytic Converter (TWC)
- Check Oxygen Sensor (O2S) and oxygen sensor control behind Three Way Catalytic Converter (TWC)
29 6-pin harness connector
- Terminals are gold-plated
- Black, 6-pin
- For Heated Oxygen Sensor (HO2S) 1 before Three Way Catalytic Converter (TWC) -G39- and Oxygen Sensor (O2S) heater -Z19-
- Component location: At right vehicle underside
30 Heated Oxygen Sensor (HO2S) -G39- bank 1*, 50 Nm
- Component location: In exhaust manifold
- Use "G5" to grease thread only; do not let "G5" get onto slits of oxygen sensor body
- Voltage supply of oxygen sensor heater via Fuel Pump (FP) Relay -J17-
- Check oxygen sensor heater for Oxygen Sensor (O2S) before Three Way Catalytic Converter (TWC)
- Check Oxygen Sensor (O2S) and oxygen sensor control before Three Way Catalytic Converter (TWC)
31 Fuel pressure regulator.

Fig. 1 Secondary Air Injection (AIR) pump relay -J299-* (arrow)







- In protective housing for relays in engine compartment (inserted in wiring beside master brake cylinder).