Operation CHARM: Car repair manuals for everyone.
Manuals through 2025 now available!

Our trusted friends have launched a new website named LEMON, which has newer manuals. It also contains all the CHARM manuals.

LEMON is the spiritual successor to CHARM, I recommend you try it!

Link: lemon-manuals.la or lemon-manuals.org.ua

(Some people have issue connecting. LEMON is investigating. For now, use Firefox or change your DNS server)

Or, hide this message: temporarily or permanently

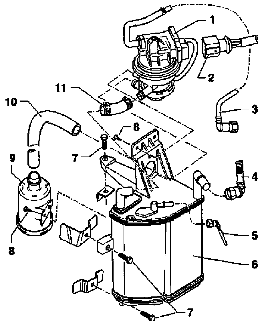
EVAP System Components, Servicing







EVAP system components, servicing

Note:
^ Components marked with an * are checked by the On Board Diagnostic (OBD):
^ Components marked with ** are checked by the final control diagnosis:
Refer to Diagnostic tester VAS 5051; Vehicle self-diagnosis
1- Leak Detection Pump (LDP) -V144-*/**
^ In rear right wheel housing, behind wheel housing liner
^ Valve will be activated by engine control module (pulsed)
2- Connector
^ Black, 3-pin
3- Vacuum line
^ To throttle valve control module -J338 .
^ Press together at front to release
4- Vacuum line
^ Black
^ Check if seated securely
^ To intake manifold upper part
5- Breather line
^ White
^ Check seated securely
^ To EVAP canister purge regulator valve -N80
6- EVAP canister
^ In rear right wheel housing, behind wheel housing liner
7- 10 Nm
8- 3 Nm
9- Air filter for Leak Detection Pump (LDP)
10- Connecting hose
^ Suction side
11- Connecting hose
^ Pressure side